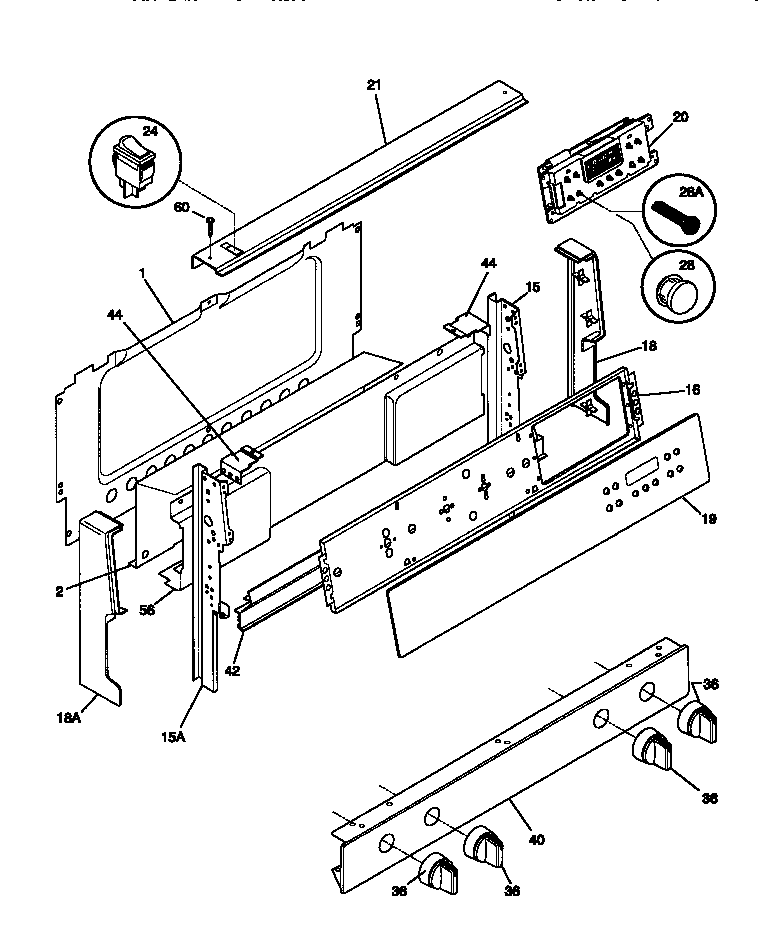
TGF356BCDA 02 – BACKGUARDadmin2025-04-26T09:00:36+00:00TGF356BCDA 02 – BACKGUARD ProductsPositionProduct*31760WCI 5303281584*31762WCI 316001446*31761WCI 53032885741SHIELD-BACKGUARD, REAR WALL2WCI 31603880115AWCI 31602311115WCI 31602311016WCI 31608360118CAP-END-RH18CAP-END-LH19WCI 31602834919AWCI 530327283620WCI 31606450221WCI 5303283554245308015487 Frigidaire Switch-Oven Light28PUSH BUTTON, CLOCK/TIMER/EOC, BLACK28AWCI 31603690036WCI 31602302040WCI 31608681242WCI 530327283944WCI 530327283156WCI 31607490260316021105 Frigidaire Oven Screw