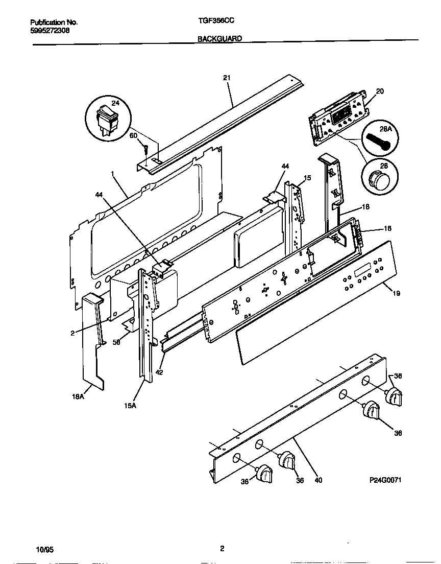
TGF356CCSA 02 – BACKGUARDadmin2025-04-26T08:58:50+00:00TGF356CCSA 02 – BACKGUARD ProductsPositionProduct*01800316021105 Frigidaire Oven Screw*01801WCI 5303281584*01803WCI 316001446*01802WCI 53032885741SHIELD-BACKGUARD, REAR WALL2WCI 31603880115WCI 31602311115WCI 31602311016WCI 31608360118WCI 31602180418WCI 31602180519WCI 530327283619WCI 31602835020WCI 31606450221WCI 31603920224WCI 31606040028PUSH BUTTON, CLOCK/TIMER/EOC, GRAY, (11)28WCI 31603690036WCI 31602302140WCI 31608681342WCI 530327283944WCI 530327283156WCI 31607490260WCI 5303290188