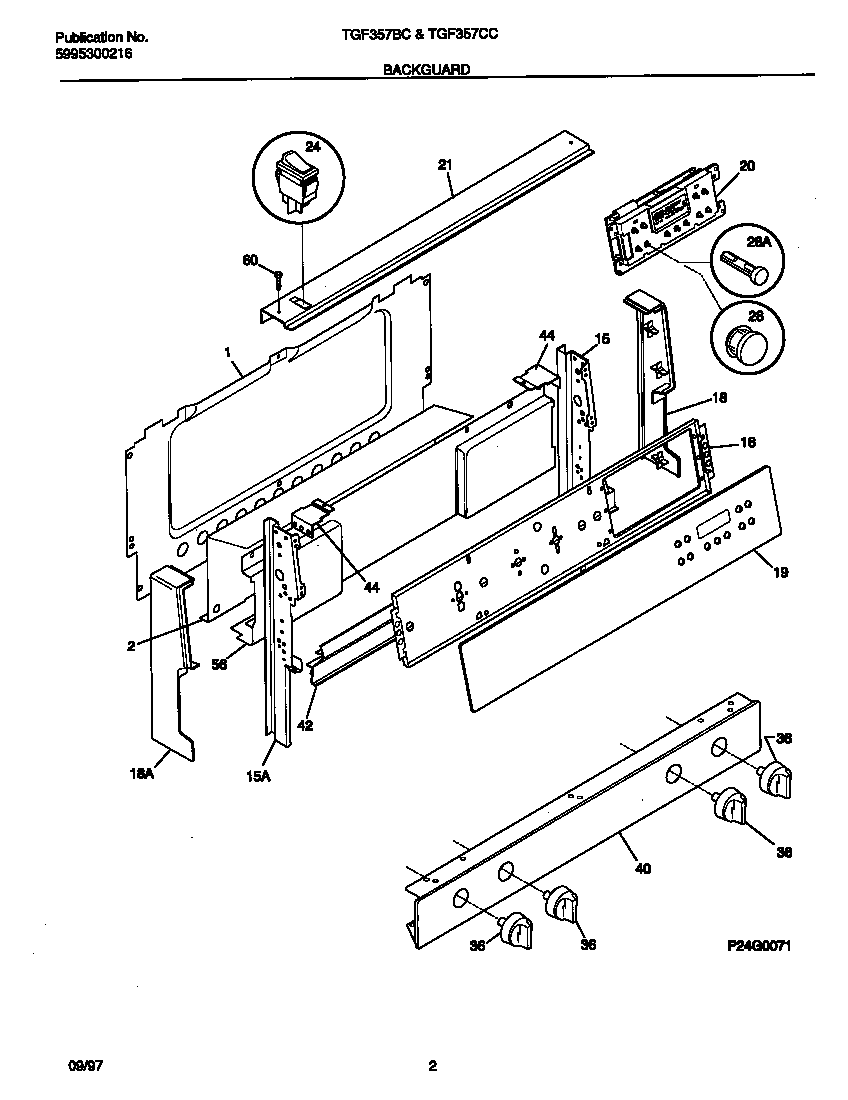
TGF357BCDE 02 – BACKGUARDadmin2025-04-26T08:59:24+00:00TGF357BCDE 02 – BACKGUARD ProductsPositionProduct*67321Screw,cup pt ,8-18 x 0.375 ,chrome*67322WCI 5303288574*67323WCI 3160014461SHIELD-BACKGUARD, REAR WALL2WCI 31603880115WCI 31602310815WCI 31602310916WCI 31608360118CAP-END-RH18CAP-END-LH19WCI 31602834919WCI 530327283620WCI 31608010221WCI 5303283554245308015487 Frigidaire Switch-Oven Light28PUSH BUTTON, CLOCK/TIMER/EOC, BLACK28Shaft,push button ,black ,clock/timer/EOC36WCI 31602302040WCI 31608681742WCI 530327283944WCI 530327283156WCI 31607490760316021105 Frigidaire Oven Screw