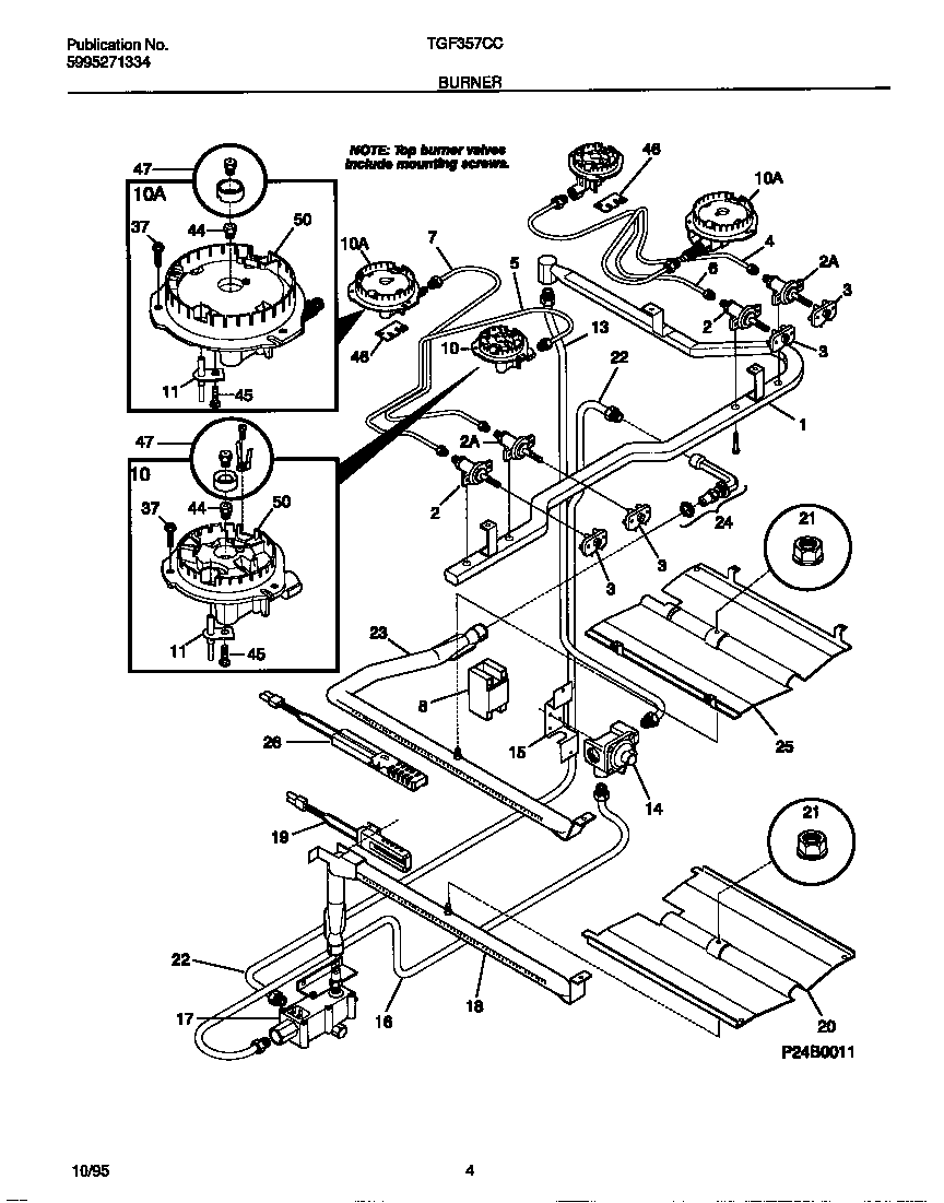
TGF357CCSA 03 – BURNER