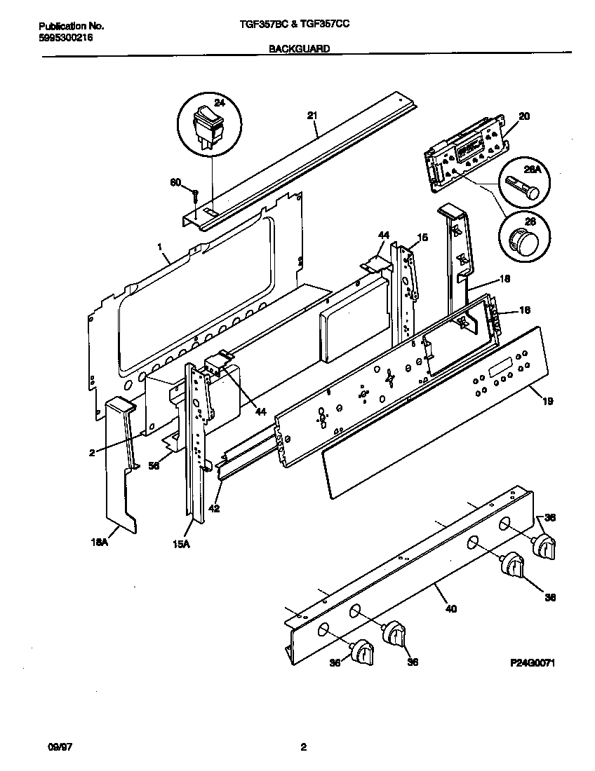
TGF357CCTF 02 – BACKGUARDadmin2025-04-26T09:00:27+00:00TGF357CCTF 02 – BACKGUARD ProductsPositionProduct*67323WCI 316001446*67320WCI 5303290188*67322WCI 5303288574*67321Screw,cup pt ,8-18 x 0.375 ,chrome1SHIELD-BACKGUARD, REAR WALL2WCI 31603880315WCI 31602310815WCI 31602310916WCI 31608360118WCI 31602180718WCI 31602180619WCI 31602835119WCI 530327283620WCI 31608010221WCI 31603920324WCI 31606040128Shaft,push button ,black ,clock/timer/EOC28WCI 31601510536WCI 31602302240WCI 31608681442WCI 530327283944WCI 530327283156WCI 31607490260316021105 Frigidaire Oven Screw