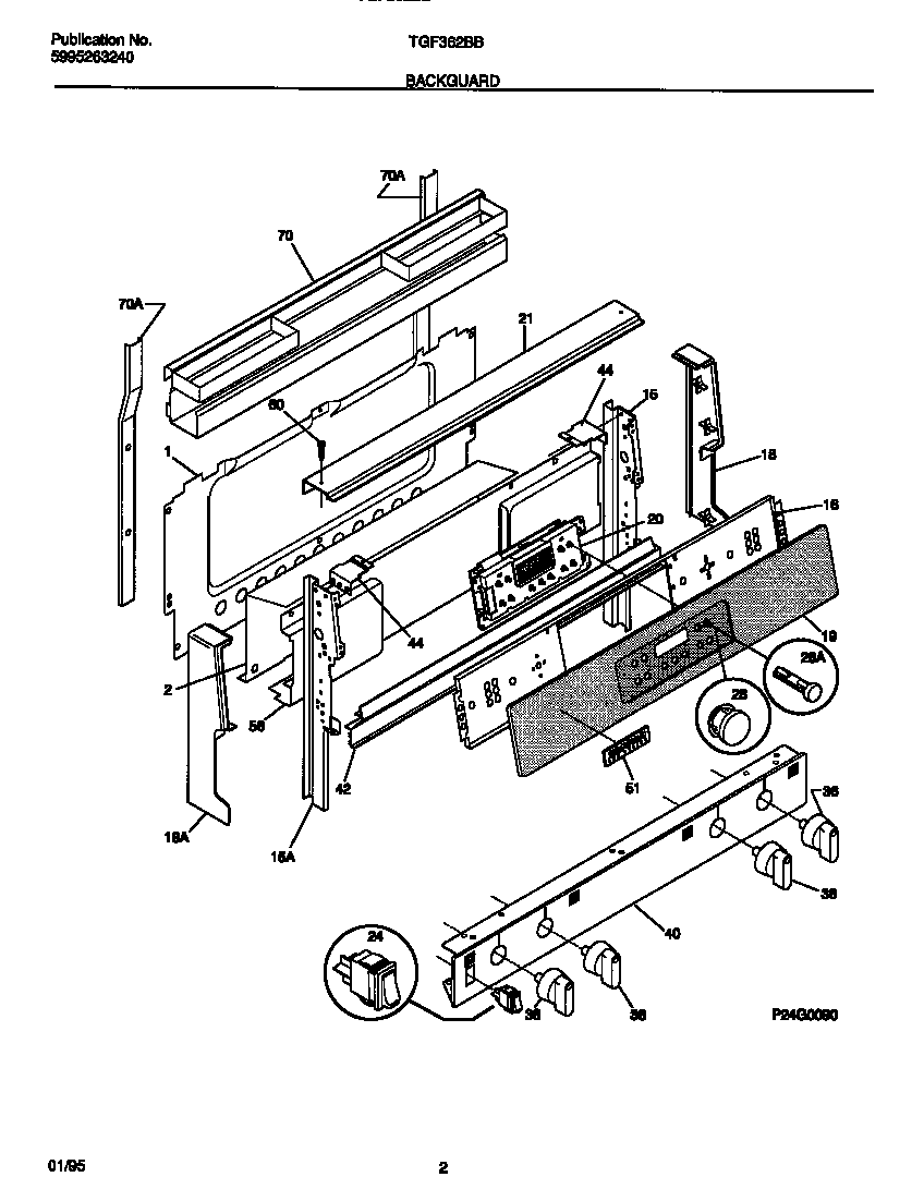
TGF362BBBA 02 – BACKGUARDadmin2025-04-26T09:00:37+00:00TGF362BBBA 02 – BACKGUARD ProductsPositionProduct*96121316021105 Frigidaire Oven Screw*96122WCI 5303281584*96120WCI 3160014351SHIELD-BACKGUARD, REAR WALL2WCI 31603880115WCI 31602311015WCI 31602311116WCI 31604260518CAP-END-LH18CAP-END-RH19WCI 31602832619WCI 530327283620WCI 31606450221WCI 31603920124WCI 31607090128WCI 31603690028PUSH BUTTON, CLOCK/TIMER/EOC, BLACK36WCI 31607220040WCI 31606234942WCI 530327283944WCI 530327283151WCI 31607420056WCI 31607490260WCI 530328857470WCI 530350000170WCI 316069700