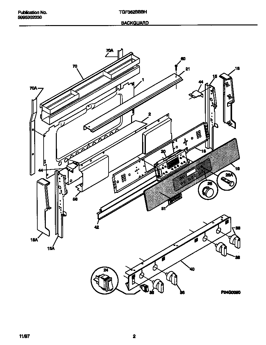
TGF362BBBH 02 – BACKGUARDadmin2025-04-26T09:01:14+00:00TGF362BBBH 02 – BACKGUARD ProductsPositionProduct*96281Screw,cup pt ,8-18 x 0.375 ,chrome*96280WCI 5303288574*96282WCI 3160014351SHIELD-BACKGUARD, REAR WALL2WCI 31603880015WCI 31602310815WCI 31602310916WCI 31604260518CAP-END-RH18CAP-END-LH19WCI 31602832619WCI 530327283620WCI 31608010221WCI 31603920124WCI 31607090128Shaft,push button ,black ,clock/timer/EOC28PUSH BUTTON, CLOCK/TIMER/EOC, BLACK36WCI 31608500040WCI 31606234942WCI 530327283944WCI 530327283151WCI 31607420056WCI 31607490760316021105 Frigidaire Oven Screw70WCI 530350000170WCI 316069700