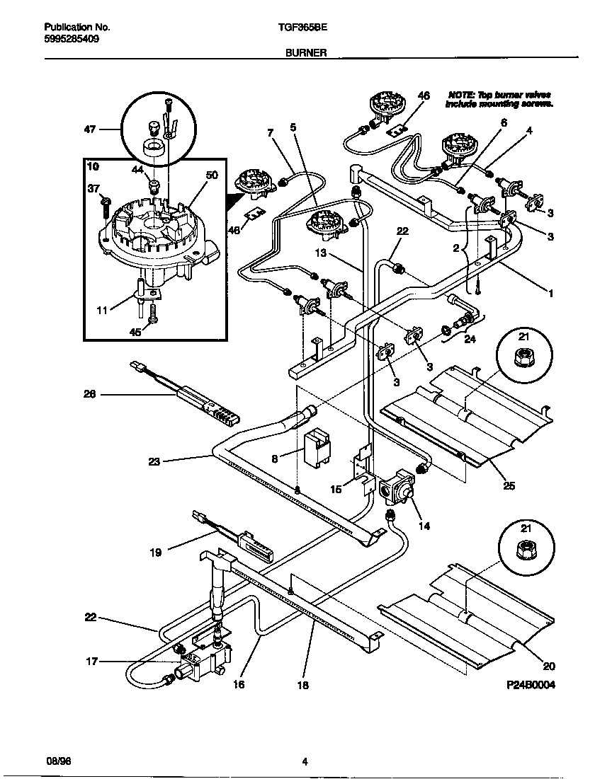
TGF365BEDA 03 – BURNER