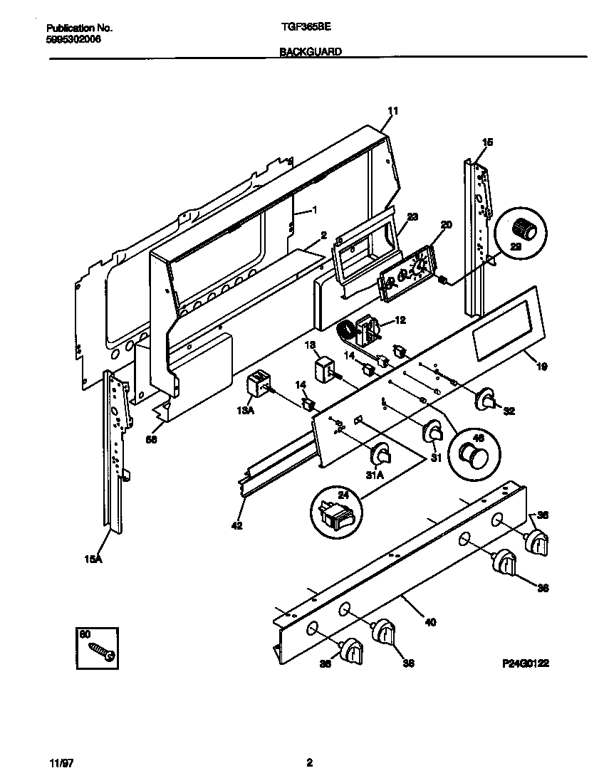
TGF365BEDC 02 – BACKGUARDadmin2025-04-26T09:02:46+00:00TGF365BEDC 02 – BACKGUARD ProductsPositionProduct*93000316021105 Frigidaire Oven Screw*93002WCI 316001444*93001Screw,cup pt ,8-18 x 0.375 ,chrome1SHIELD-BACKGUARD, REAR WALL2WCI 31605160011WCI 31606184612WCI 316028600135304508926 Frigidaire Oven Temperature Control Switch13WCI 31607330014316022500 Frigidaire Oven Warmer Drawer Zone Indicator Light Lamp15WCI 31602310815WCI 31602310919WCI 31608261420WCI 31601740823WCI 316079000245304527841 Frigidaire Oven Rocker Switch (Black)29WCI 31602900831WCI 31608723731WCI 31608725932WCI 31608723836WCI 31602302040WCI 31608681742WCI 31608330046318228310 Frigidaire Oven Lens56WCI 316074907