| *79688 | SCREW, CR PAN HD SEMS, 8-32BP X 1.00 |
| *79687 | WCI 316065301 |
| *79692 | 131243700 Frigidaire Screw |
| *79690 | WCI 5303280311 |
| *79691 | 5303285179 Frigidaire Oven Door Screw |
| *79689 | 5303271648 Frigidaire Oven Screw |
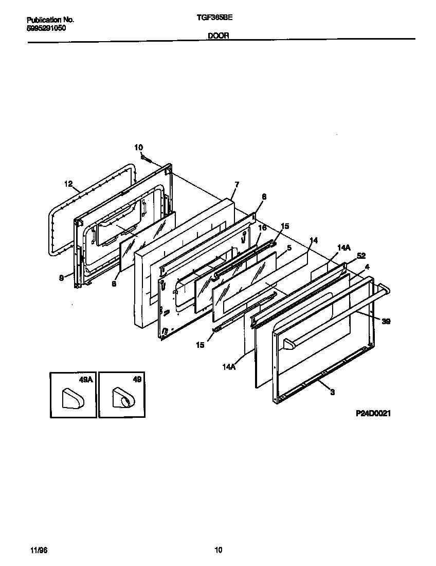
| 3 | WCI 316067802 |
| 4 | WCI 316089000 |
| 5 | WCI 316088700 |
| 6 | WCI 316088401 |
| 7 | WCI 316076400 |
| 8 | GLASS-OVEN DOOR, AIRWASH |
| 9 | WCI 316066610 |
| 10 | SCREW-HANDLE MTG, WAFER HEAD, 10-24 X 3.375 |
| 12 | 5303131601 Frigidaire Oven Seal |
| 14 | 5303208655 Frigidaire Reflector Assembly |
| 14 | REFLECTOR, ALUMINUM FOIL |
| 15 | WCI 316081401 |
| 16 | WCI 316085700 |
| 39 | HANDLE-DOOR, OVEN |
| 49 | WCI 5303307192 |
| 49 | WCI 5303307193 |
| 52 | WCI 316081303 |