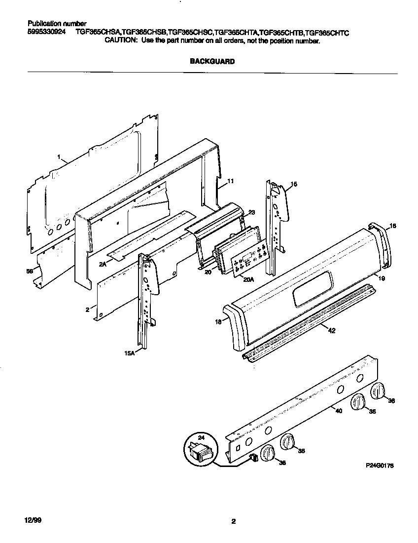
TGF365CHSA 02 – BACKGUARDadmin2025-04-26T09:01:03+00:00TGF365CHSA 02 – BACKGUARD ProductsPositionProduct*33612316021105 Frigidaire Oven Screw*33603WIRING HARNESS,BACKGUARD*33611OVERLAY-CLOCK*33604WCI 316002171*33607WCI 316021122*33610316112500 Frigidaire Oven Template*33601316116000 Frigidaire Screw*33605Screw,cup pt ,8-18 x 0.375 ,chrome*33606316021109 Frigidaire Oven Screw1WCI 53032885052WCI 31605380311WCI 31606185715WCI 31602310915WCI 31602310818WCI 31611520118WCI 31611520019WCI 31611500920WCI 31610100023WCI 31611510124SWITCH-ROCKER, OVEN LIGHT, WHITE, RH36KNOB-TOP VALVE,WHITE40PANEL-MANIFOLD WHT W/SW SOLID,4042TRIM-EXTRUSION56WCI 316074907