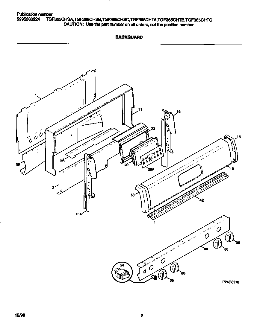
TGF365CHSB 02 – BACKGUARDadmin2025-04-26T09:00:27+00:00TGF365CHSB 02 – BACKGUARD
Products
| Position | Product |
|---|
| *33612 | 316021105 Frigidaire Oven Screw |
| *33609 | WCI 316105822 |
| *33603 | WIRING HARNESS,BACKGUARD |
| *33611 | OVERLAY-CLOCK |
| *33602 | Shield,deflector ,main top panel ,(2) |
| *33604 | WCI 316002171 |
| *33607 | WCI 316021122 |
| *33610 | 316112500 Frigidaire Oven Template |
| *33605 | Screw,cup pt ,8-18 x 0.375 ,chrome |
| *33606 | 316021109 Frigidaire Oven Screw |
| 1 | WCI 5303288505 |
| 2 | WCI 316053803 |
| 11 | WCI 316061857 |
| 15 | WCI 316023109 |
| 15 | WCI 316023108 |
| 18 | WCI 316115201 |
| 18 | WCI 316115200 |
| 19 | WCI 316115009 |
| 20 | WCI 316101000 |
| 23 | WCI 316115101 |
| 24 | SWITCH-ROCKER, OVEN LIGHT, WHITE, RH |
| 36 | KNOB-TOP VALVE,WHITE |
| 40 | PANEL-MANIFOLD WHT W/SW SOLID,40 |
| 42 | TRIM-EXTRUSION |
| 56 | WCI 316074907 |