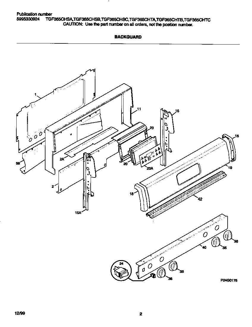
TGF365CHSC 02 – BACKGUARD