| *40562 | WCI 5303311549 |
| *40567 | 216858001 Frigidaire Refrigerator Screw |
| *40564 | SCREW, 8 X 5/8, SPARK MODULE |
| *40566 | WCI 08008051 |
| *40561 | WCI 5303323141 |
| *40563 | NUT, SUPPORT OVN VLV (NOT ILLUSTRATED) |
| *40565 | WCI 08008009 |
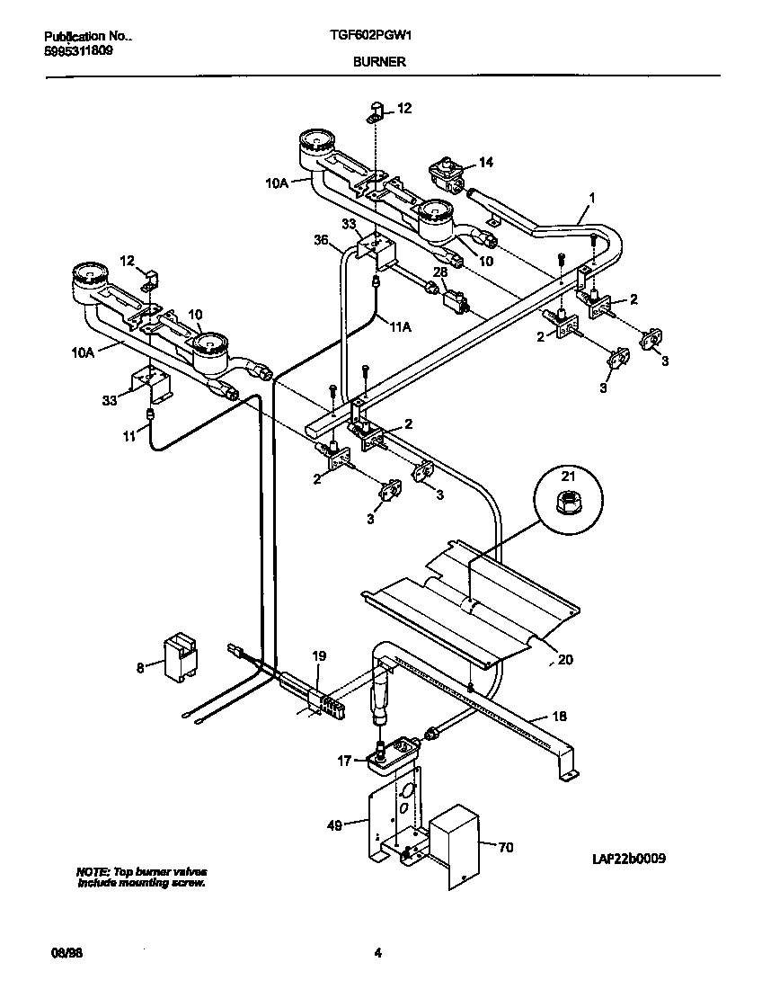
| 1 | Manifold |
| 2 | WCI 318087100 |
| 3 | SWITCH-IGNITER, (4) |
| 8 | 5303912606 Frigidaire Oven Range Spark Module 2+0 4 Large Terminals |
| 10 | Burner,top ,rear |
| 10 | BURNER-TOP, FRONT |
| 11 | WCI 318083200 |
| 11 | IGNITOR-TOP BURNER, BASE |
| 12 | RETAINER-IGNITER |
| 14 | 5308007974 Frigidaire Pressure Regulator |
| 17 | WCI 318087200 |
| 18 | WCI 5303202752 |
| 19 | 5303935066 Frigidaire Oven Flat Igniter 17" Leads |
| 20 | WCI 3203676 |
| 21 | 5303013272 Frigidaire Oven Nut |
| 28 | WCI 5303131099 |
| 33 | WCI 5303210471 |
| 36 | WCI 5303323849 |
| 49 | SUPPORT-OVEN SAFETY VALVE |
| 70 | COVER - OVEN SAFETY VALVE |