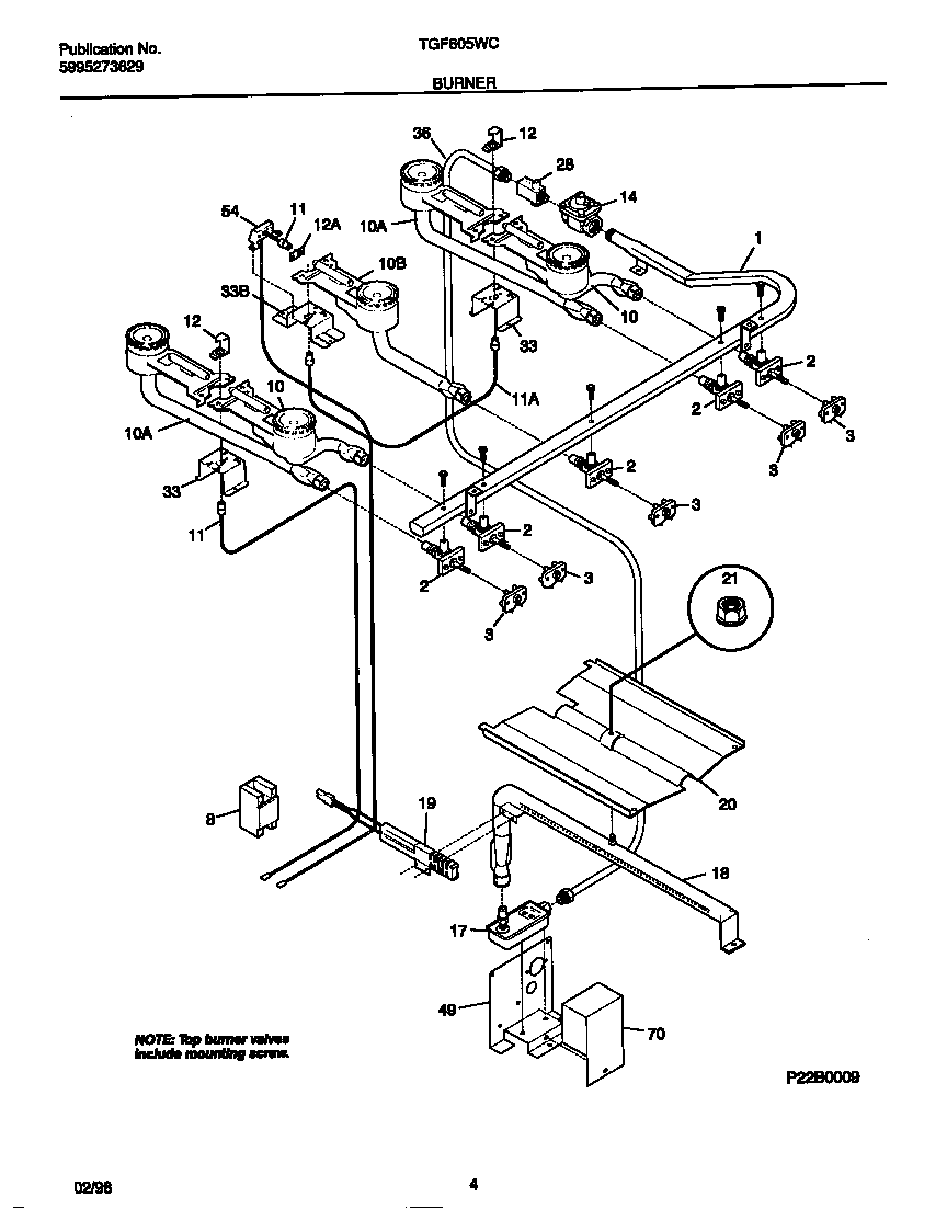
| *42650 | TERMINAL BLOCK |
| *42645 | SCREW-SHOULDER |
| *42648 | WCI 08008009 |
| *42646 | SCREW, 8 X 5/8, SPARK MODULE |
| *42647 | 08002868 Frigidaire 0 Screw Assembly |
| *42649 | 216858001 Frigidaire Refrigerator Screw |
| 1 | WCI 318078002 |
| 2B | 316048200 Frigidaire Oven Screw |
| 2A | WCI 316031800 |
| 3 | SWITCH-IGNITER, (4) |
| 8 | 5303912606 Frigidaire Oven Range Spark Module 2+0 4 Large Terminals |
| 10 | WCI 5303311550 |
| 10 | WCI 5303311552 |
| 10 | BURNER-TOP, FRONT |
| 11 | Ignitor,top burner ,front |
| 11 | IGNITOR-TOP BURNER, BASE |
| 12 | RETAINER-IGNITER, GRIDDLE |
| 12 | RETAINER-IGNITER |
| 14 | 5308007974 Frigidaire Pressure Regulator |
| 17 | WCI 5308009419 |
| 18 | WCI 5303202752 |
| 19 | 5303935066 Frigidaire Oven Flat Igniter 17" Leads |
| 20 | WCI 5303308480 |
| 21 | 5303013272 Frigidaire Oven Nut |
| 28B | NUT-LOXIT (3/8) |
| 28A | WCI 5303131099 |
| 33 | WCI 5303210471 |
| 33 | Bracket,burner mtg ,griddle |
| 36 | WCI 5303316989 |
| 49B | NUT, SUPPORT OVN VLV (NOT ILLUSTRATED) |
| 49A | SUPPORT-OVEN SAFETY VALVE |
| 54 | WCI 5303311553 |
| 70 | COVER - OVEN SAFETY VALVE |