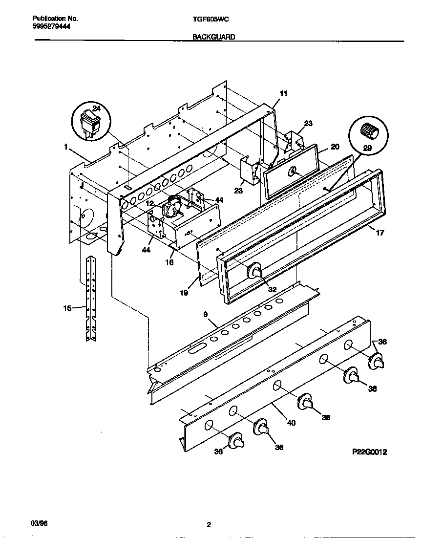
TGF605WCW2 02 – BACKGUARDadmin2025-04-26T09:00:48+00:00TGF605WCW2 02 – BACKGUARD ProductsPositionProduct*42001216858001 Frigidaire Refrigerator Screw*42000WCI 08008009*420025304453707 Frigidaire Oven Screw*42004WCI 5303317083*42003WCI 53033115281WCI 53033115259TRIM-VENT11WCI 530331708212WCI 31805900015BRACE (2)16PLATE, INSTRUMENT MTG17TRIM-CONTROL PANEL19WCI 31800100020WCI 31801120023WCI 5308008076245308015487 Frigidaire Switch-Oven Light29WCI 31602900032WCI 31801681636WCI 31801620840WCI 31800530044BRACKET, PLATE INST. MTG, (2)