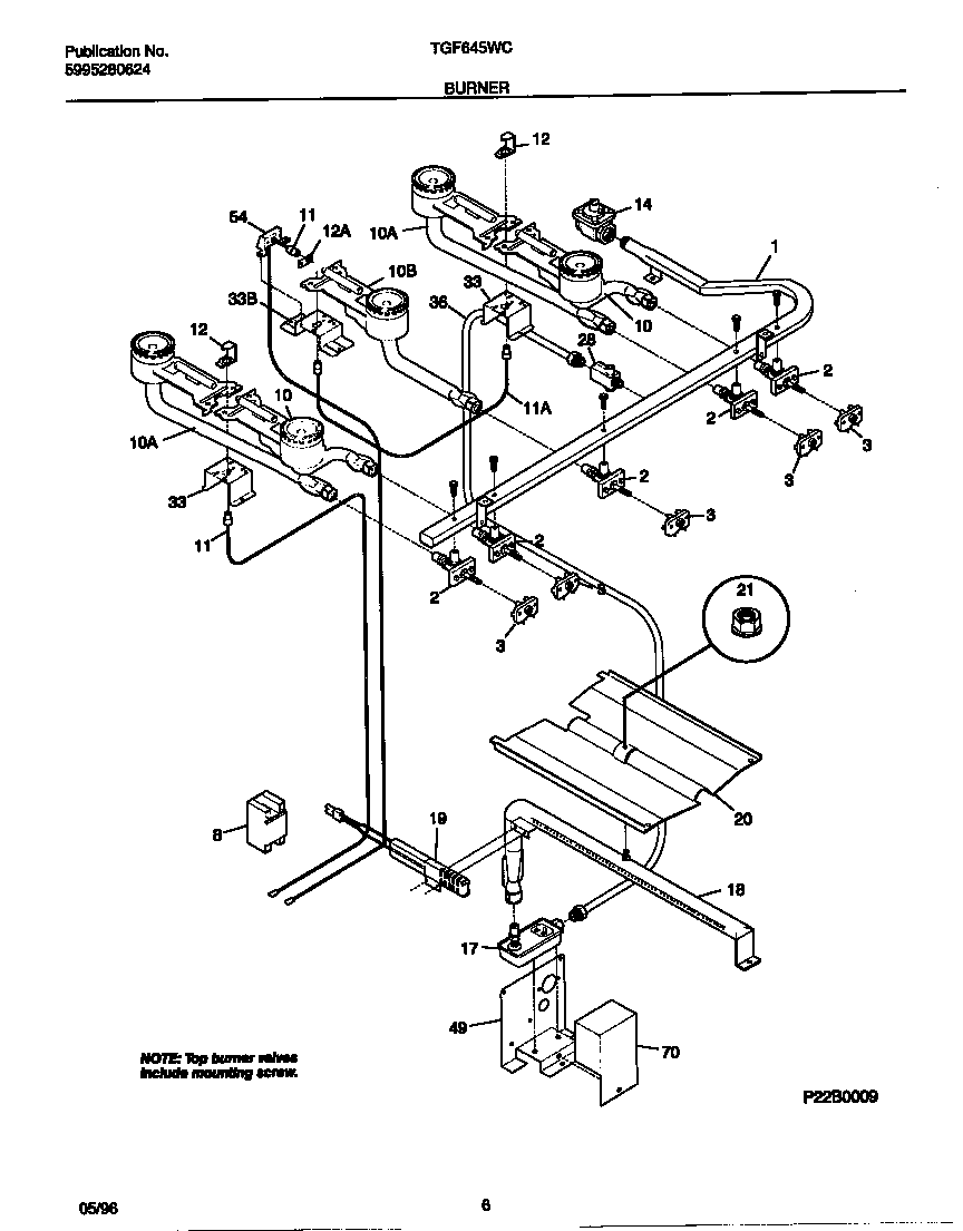
TGF645WCD2 04 – BURNER