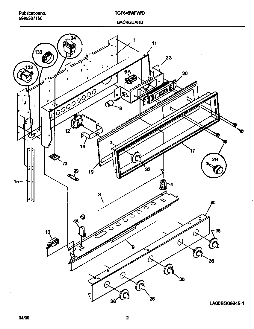
TGF645WFD7 02 – BACKGUARDadmin2025-04-26T09:02:14+00:00TGF645WFD7 02 – BACKGUARD ProductsPositionProduct*83803SCREW,TRUSS HEAD,8-18 X 0.375*838065303310510 Frigidaire Oven Screw*83802WCI 08008009*838003201861 Frigidaire Screw*838045303211311 Frigidaire Refrigerator Screw*838095308014215 Frigidaire Oven Screw*838075304453707 Frigidaire Oven Screw*8380108002868 Frigidaire 0 Screw Assembly*83805216858001 Frigidaire Refrigerator Screw*83808WCI 53033115281WCI 3180224013LAMP-FLUORESCENT, BACKGUARD4WCI 3181103006WCI 53080680626WCI 3181104009WCI 31816200510WCI 31812280211WCI 530331152912WCI 31805920315BRACE (2)16WCI 31817190017TRIM-CONTROL PANEL19WCI 31800100920WCI 31818480023WCI 318015313245308015487 Frigidaire Switch-Oven Light28BUTTON-CLOCK32WCI 31801681636Knob,control40WCI 31800530073WCI 31814120099WCI 53033045441325304513507 Frigidaire Bushing Assembly