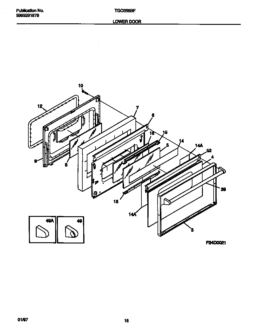
TGO356BFWA 09 – LOWER DOORadmin2025-04-26T09:01:10+00:00TGO356BFWA 09 – LOWER DOOR ProductsPositionProduct*12184SCREW, CR PAN HD SEMS, 8-32BP X 1.00*121855303285179 Frigidaire Oven Door Screw3WCI 3160678024WCI 3160890005WCI 3160887006WCI 3160884017WCI 3160764008GLASS-OVEN DOOR, AIRWASH9WCI 31606661010SCREW-HANDLE MTG, WAFER HEAD, 10-24 X 3.375125303131601 Frigidaire Oven Seal145303208655 Frigidaire Reflector Assembly14REFLECTOR, ALUMINUM FOIL15WCI 31608140116WCI 31608570039BWCI 31608960039AHANDLE-DOOR, OVEN49WCI 530330719249WCI 530330719352WCI 316081303