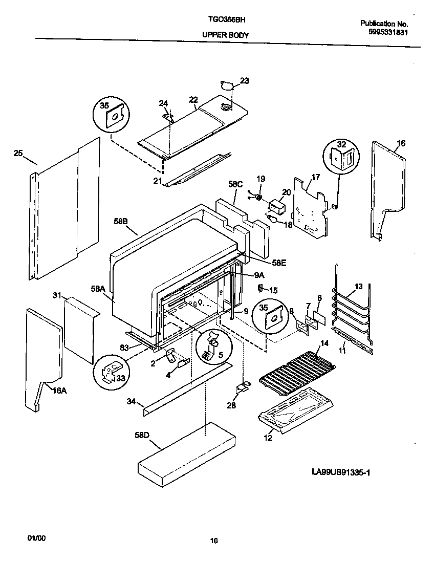
TGO356BHD3 08 – UPPER BODYadmin2025-04-26T09:04:17+00:00TGO356BHD3 08 – UPPER BODY ProductsPositionProduct2HINGE-DOOR ASSY4WCI 0801166555303284616 Frigidaire Range Bulb Clip Thermostat6GLASS-OVN LITE LENS7GSKT OVEN LIGHT8WCI 0801166911WCI 31807310112WCI 31810980113WCI 530329012114RACK-OVEN, FLAT15318090310 Frigidaire Oven Latch16PANEL-BODYSIDE,ALMOND ,LH17SHIELD-WOOL20WCI 530329010521FLUE BACK U/O22WCI 530329017723WCI 31803670124WCI 530329013025WCI 530329009532BRKT-CONNEC MTG33RETAINER OVEN BURN UPPER34WCI 530440307535WCI 530329011958WCI 31813260758WCI 320444058WCI 31813260158WCI 31813260283WCI 318109600