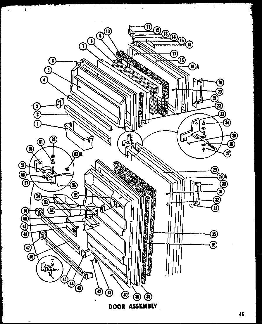
TM19LF 03 – Page 5admin2025-04-26T08:53:08+00:00TM19LF 03 – Page 5 ProductsPositionProductNIMAY A3061802NIMAY A3061801NIMAY A30618031MAY D39349022MAY D39767093MAY D39768073MAY D39768084MAY B56320035MAY D39707026MAY D39737017MAY D30730118MAY B56120019MAY A307301310MAY A307301211MAY M024453112MAY C358590213MAY A309210113MAY A307640115MAY M027402416MAY C357800216MAY C357760117MAY M055000118MAY D702850718MAY D397340218MAY D397344422MAY B052355523MAY C357250126MAY M027402727MAY B053980629MAY D397340629MAY D702850829MAY D397344830MAY D395510131MAY M024823132MAY M028980233MAY C360420135MAY A307301036MAY B052355738MAY D397420139MAY D397810640MAY M024111841MAY A307920242MAY M021151643MAY D397680545MAY D397671046MAY B563200748MAY D702640149MAY D379980151MAY D397680654MAY D398440255MAY A308470156MAY M024615957MAY B562930259MAY A308350160MAY A306190360MAY A306190260MAY A306190161MAY B053980762MAY A305430162MAY B0539501