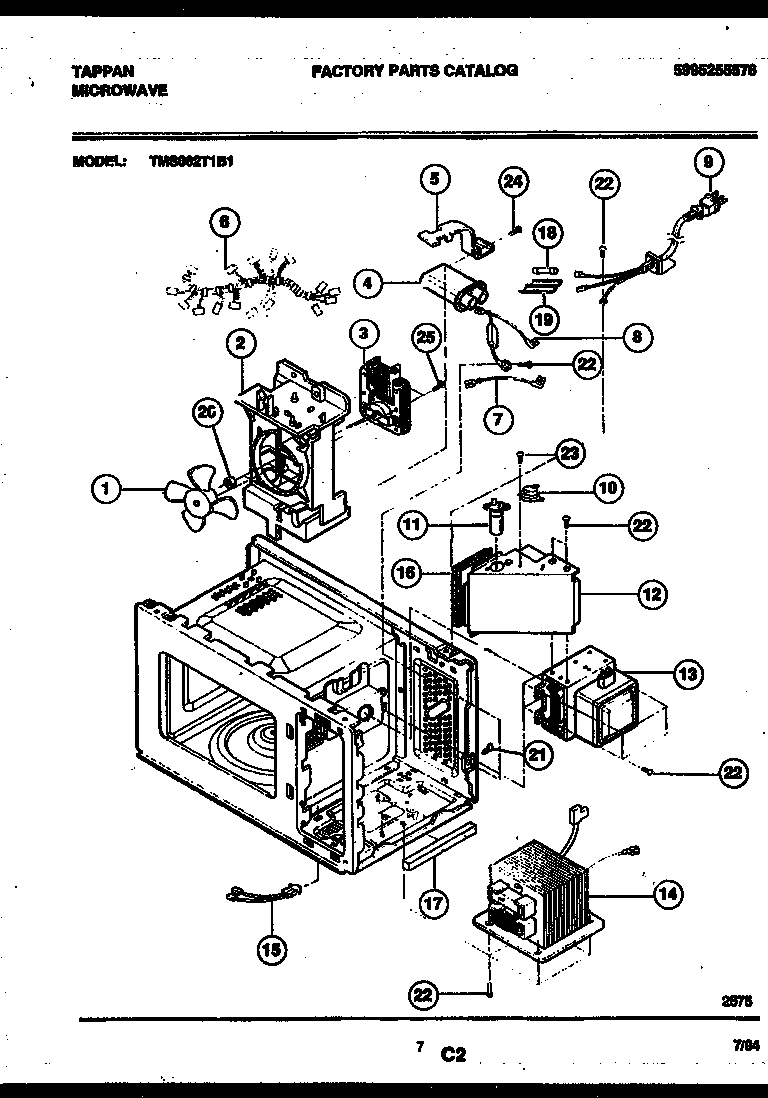
TMS062T1B1 06 – POWER CONTROL