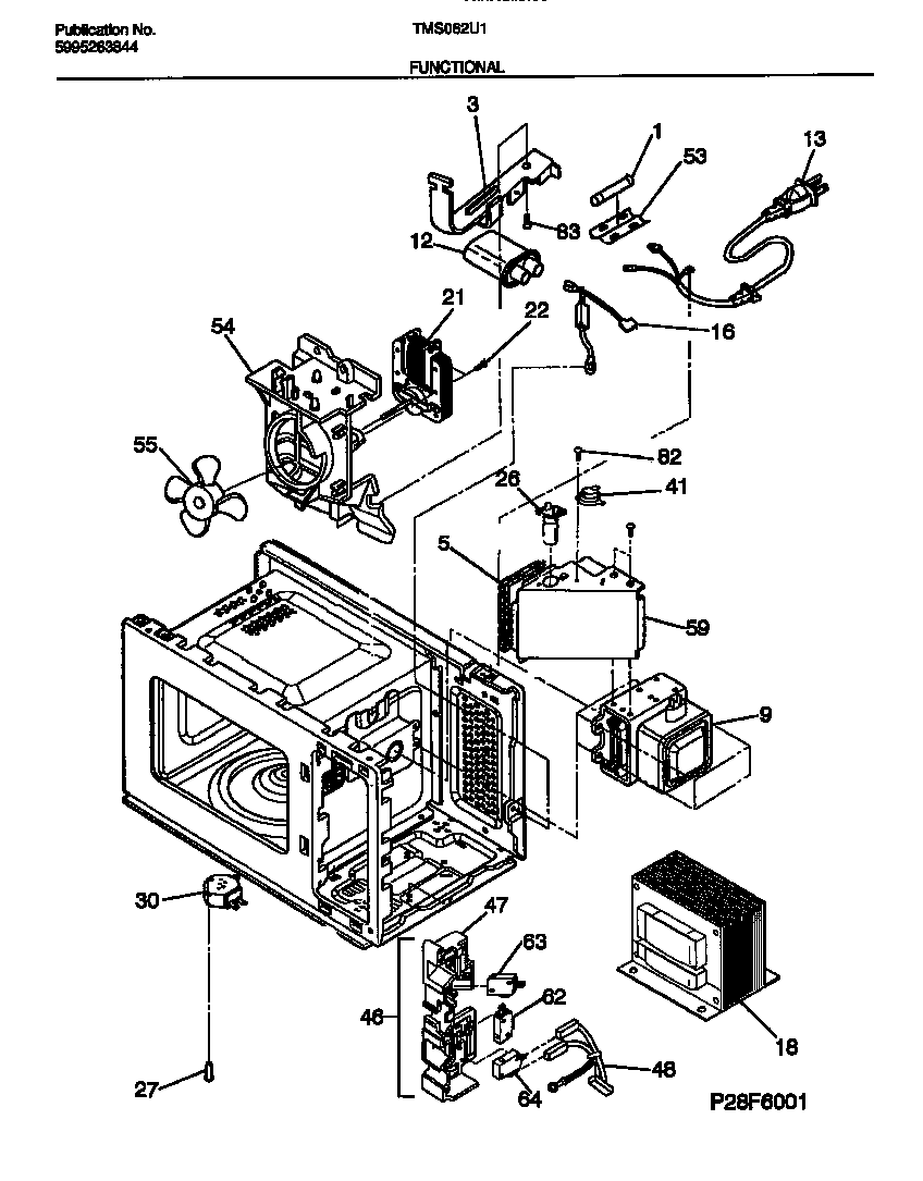
TMS062U1S0 04 – FUNCTIONALadmin2025-04-26T10:57:48+00:00TMS062U1S0 04 – FUNCTIONAL ProductsPositionProduct*42121WCI 5303307912*42120WCI 5303307911*42122WCI 53033053721WCI 53032842193WCI 53033079105WCI 53033054219WCI 530330541712WCI 530326958513WCI 530327136016WCI 530330538318WCI 530330538821WCI 530330537922WCI 530330791426WCI 530330538527WCI 530330537330LEAD-WIRE ASSY, TURNTABLE (NOT ILLUSTRATED)30WCI 530330537041WCI 530330538446WCI 530330537547WCI 530330537648WCI 530330790853WCI 530330539154WCI 530330790955WCI 530321007459WCI 530330538662WCI 530327136963SECONDARY INTERLOCK-SWITCH64WCI 530328402382WCI 530330539383WCI 5303307913