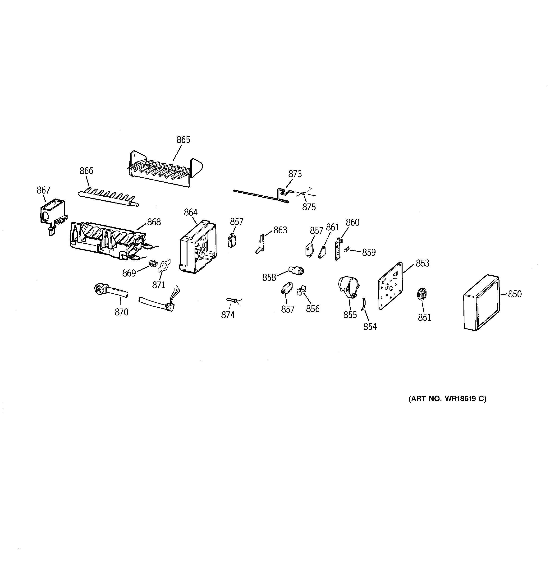
TNS22PRCALBS ICE MAKER WR30X100001