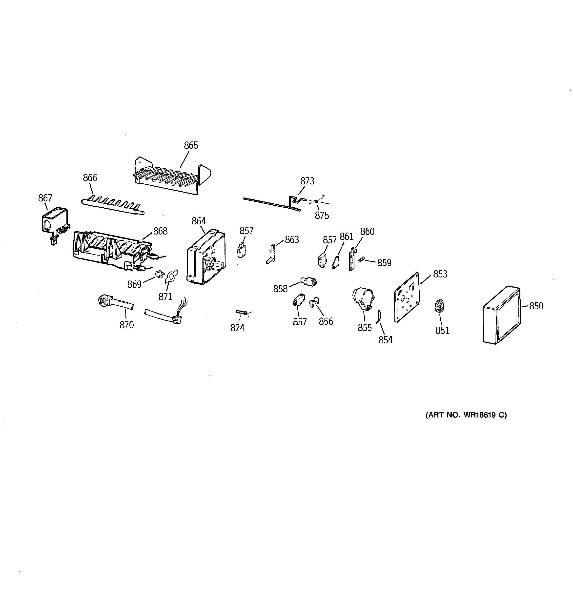
TNX22BRCARBB ICE MAKER WR30X100001
Products
| Position | Product |
|---|---|
| 850 | GEN WR29X0193 |
| 853 | PLATE MOUNTING |
| 856 | GEN WR29X5118 |
| 857 | SWITCH |
| 861 | INSULATOR |
| 865 | GEN WR29X10011 |
| 867 | GEN WR29X10012 |
| 868 | MOLD & HEATER ASM |
| 869 | WR30X10093 GE Refrigerator Ice Maker |
| 870 | GEN WR29X0186 |
| 873 | GEN WR29X10013 |