TPG21BRXABB FREEZER SECTION

TPG21BRXABB FREEZER SECTION

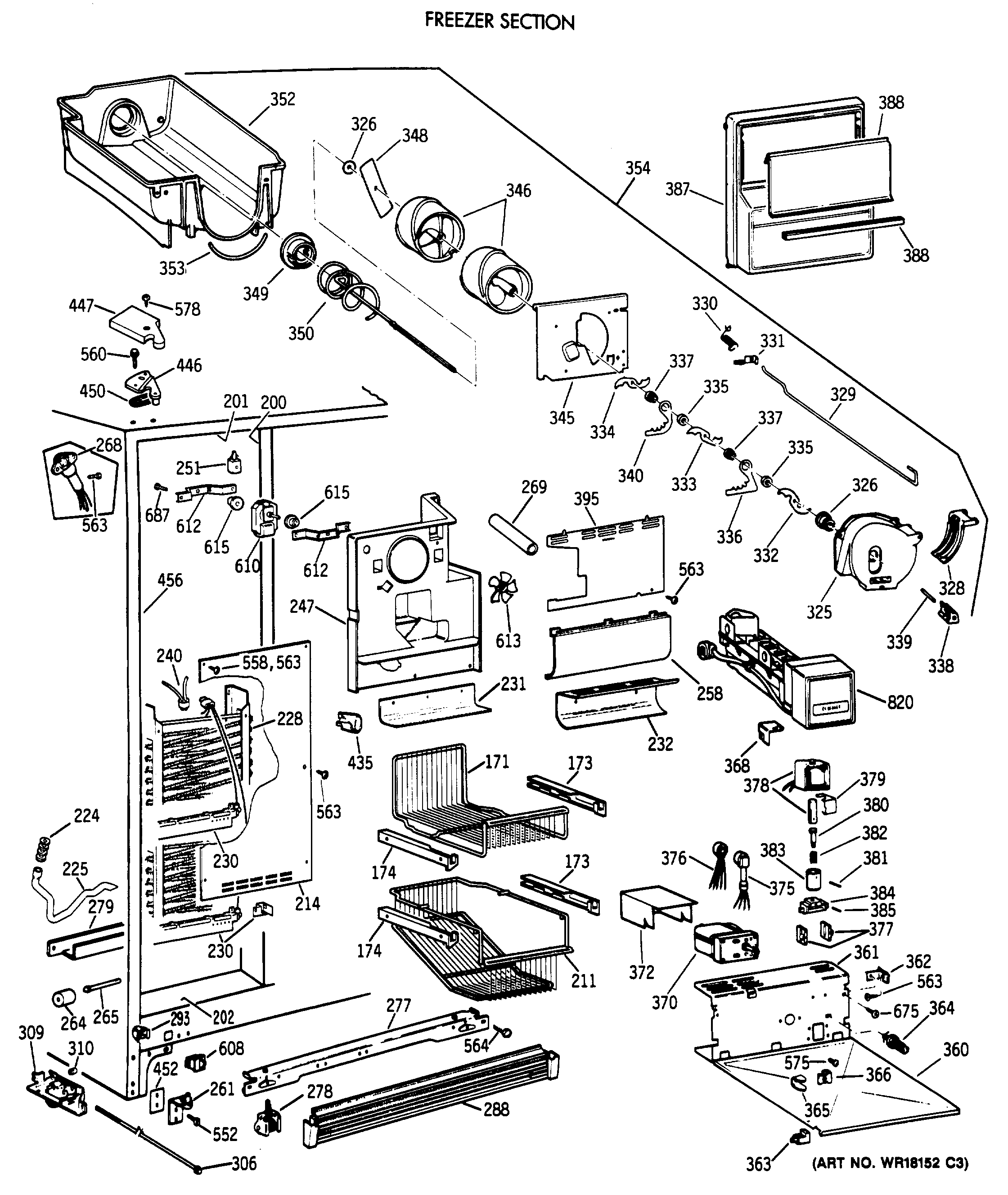
Products

PositionProduct
171GEN WR71X2402
173WR72X10079 GE Refrigerator Right Hand Basket Support Slide
174SUPPORT SLIDE BASKET LH
200GEN WR40X1763
201GEN WR40X1753
202GEN WR40X1754
211GEN WR71X2403
214GEN WR02X8950
214GEN WR17X3915
214GEN WR14X0456
224GEN WR02X8657
225GEN WR02X4838
225GEN WR02X8293
225GEN WR01X5042
228WR87X29147 GE Refrigerator 25' Evaporator
230GEN WR02X8647
230GEN WR51X0445
231GEN WR01X2110
231GEN WR01X1987
231GEN WR17X3651
232GEN WR17X4020
240WR50X122 GE Refrigerator Defrost Bi-metal Thermostat
247GEN WR17X3317
251GEN WR02X2880
258GEN WR17X1424
261WR13X10020 GE Refrigerator Door Hinge Assembly with Cam
264WHEEL MOBILITY REAR
264WR2X3594 GE Refrigerator Wheel
265GEN WR02X4742
265GEN WR02X3595
265GEN WR02X3598
268GEN WR23X0312
269GEN WR02X6087
277GEN WR17X2113
278WHEEL ASM FRT
279GEN WR17X3661
288GEN WR74X0199
293GEN WR02X7080
306GEN WR01X1907
309BRKT & MOBILITY RR RH
309BRKT & MOBILITY RR LH
310GEN WR02X8832
325WR17X2061 GE Refrigerator Crush Dispenser
326GEN WR01X1585
326GEN WR01X1991
326GEN WR01X1990
328GEN WR02X9164
328GEN WR02X4561
328DEFLECTOR ICE DISP
329GEN WR17X3737
330GEN WR02X4145
331GEN WR02X9165
332GEN WR17X3740
333GEN WR17X3741
334GEN WR17X3742
335GEN WR02X4139
336GEN WR17X3739
337WR2X4138 GE Refrigerator Spacer
338WR2X4140 GE Refrigerator Blade Rest
339GEN WR02X4141
340GEN WR17X3738
345GEN WR17X3733
346HELIX FRONT-DISP
346HELIX REAR-DISP
348GEN WR02X7351
349WR2X4550 GE Refrigerator Drive Cup
350GEN WR17X3729
352WR30X256 GE Refrigerator Ice Dispenser
353WR2X7905 GE Refrigerator Bucket Seal
354GEN WR17X3734
360GEN WR71X2510
360GEN WR02X4566
361GEN WR17X4015
362GEN WR02X8839
363GEN WR02X8952
364GEN WR02X7310
365GEN WR02X4854
366GEN WR01X1547
368GEN WR02X8459
370GEN WR60X0201
372WR02X11295 GE Refrigerator Auger Motor Boot
375GEN WR23X0441
376GEN WR23X0189
377WR2X7309 GE Refrigerator Solenoid Cushion
378WR62X10054 GE Refrigerator Solenoid & Arm Assembly
381WR62X23154 GE Refrigerator Ice Dispenser Solenoid Kit
382WR62X26536 GE Refrigerator Armature Kit
387GEN WR17X4016
388GEN WR17X2874
388GEN WR38X1524
395GEN WR17X3321
435WR02X12207 GE Refrigerator Net Bulb Light
435WR2X9014 GE Refrigerator Socket & Terminal C02
446GEN WR13X0738
447GEN WR02X8861
447GEN WR02X8860
450GEN WR02X4194
452GEN WR0