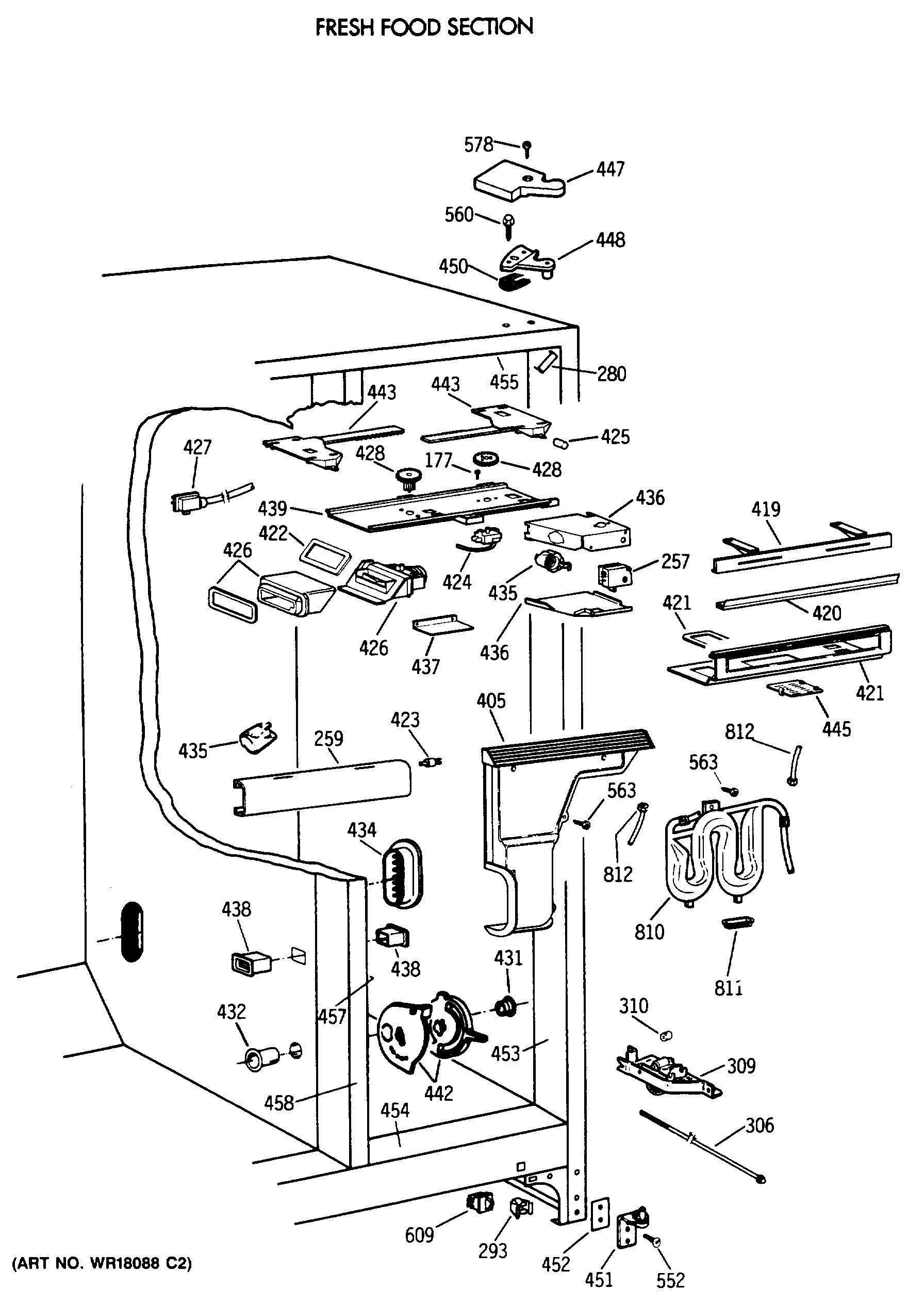
TPG21BRXABB FRESH FOOD SECTION