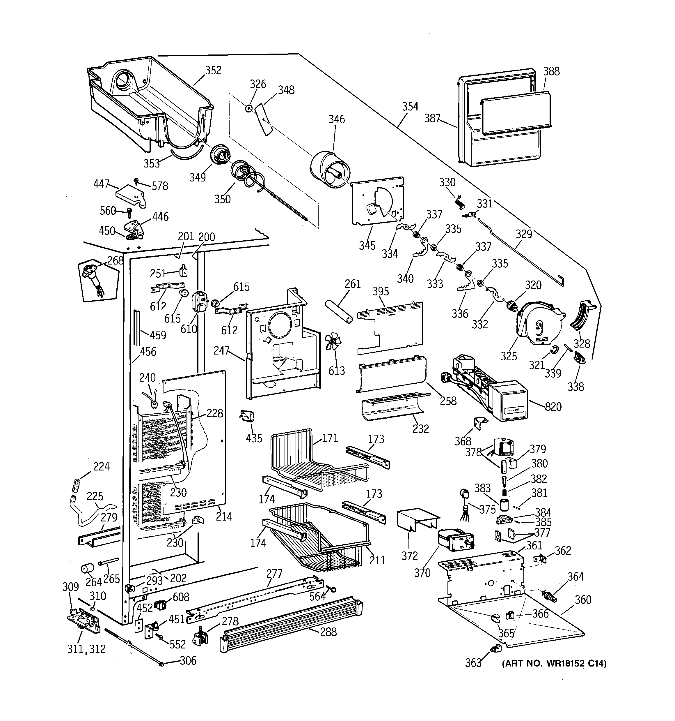
TPG21KRBCWS FREEZER SECTION

TPG21KRBCWS FREEZER SECTION

Products

PositionProduct
171GEN WR71X10153
173WR72X10079 GE Refrigerator Right Hand Basket Support Slide
174SUPPORT SLIDE BASKET LH
200GEN WR40X1763
201GEN WR40X1753
202GEN WR40X1754
211GEN WR71X2403
214GEN WR17X3915
214GEN WR14X0456
214GEN WR01X10064
224GEN WR02X8657
225GEN WR01X5042
225GEN WR02X8293
228WR87X29147 GE Refrigerator 25' Evaporator
230WR51X10023 GE Heater Defrost Harness Assembly
230GEN WR02X8647
232GEN WR17X4020
240WR50X122 GE Refrigerator Defrost Bi-metal Thermostat
247GEN WR17X3317
251GEN WR02X2880
258GEN WR17X1424
261GEN WR02X6087
264WR2X3594 GE Refrigerator Wheel
264WHEEL MOBILITY REAR
265GEN WR02X4742
265GEN WR02X3595
268GEN WR23X0312
277GEN WR17X2113
278WHEEL ASM FRT
279GEN WR17X10058
288GEN WR74X0199
293GEN WR02X7080
306GEN WR01X1907
309BRKT & MOBILITY RR RH
309BRKT & MOBILITY RR LH
310GEN WR02X8832
311GEN WR02X8842
312WR02X10480 GE Refrigerator Mobility Wheel
320GEN WR01X1585
321GEN WR01X1990
325WR17X2061 GE Refrigerator Crush Dispenser
326GEN WR01X1991
328GEN WR02X4561
328DEFLECTOR ICE DISP
328GEN WR02X9164
329GEN WR17X3737
330GEN WR02X4145
331GEN WR02X9165
332GEN WR17X3740
333GEN WR17X3741
334GEN WR17X3742
335GEN WR02X4139
336GEN WR17X3739
337WR2X4138 GE Refrigerator Spacer
338WR2X4140 GE Refrigerator Blade Rest
339GEN WR02X4141
340GEN WR17X3738
345GEN WR17X3733
346WR17X4207 GE Refrigerator Front Helix
348GEN WR02X7351
349WR2X4550 GE Refrigerator Drive Cup
350GEN WR17X4341
352WR30X256 GE Refrigerator Ice Dispenser
353WR2X7905 GE Refrigerator Bucket Seal
354GEN WR17X4342
360GEN WR02X4566
360GEN WR71X2510
361GEN WR17X4015
362GEN WR02X9166
363GEN WR02X8952
364GEN WR02X7310
365GEN WR02X4854
366GEN WR01X1547
368GEN WR02X8459
370GEN WR60X0201
372WR02X11295 GE Refrigerator Auger Motor Boot
375GEN WR23X0441
377WR2X7309 GE Refrigerator Solenoid Cushion
378WR62X10054 GE Refrigerator Solenoid & Arm Assembly
381WR62X23154 GE Refrigerator Ice Dispenser Solenoid Kit
382WR62X26536 GE Refrigerator Armature Kit
387GEN WR17X10330
388GEN WR17X10275
395GEN WR17X3321
435WR2X9014 GE Refrigerator Socket & Terminal C02
435WR02X12207 GE Refrigerator Net Bulb Light
446GEN WR13X10059
447GEN WR02X8863
447GEN WR02X8862
450GEN WR02X4194
451WR13X10020 GE Refrigerator Door Hinge Assembly with Cam
452SHIM HINGE BTM.
452GEN WR02X7011
456GEN WR40X1761
459GEN WR14X0481
552WR01X10600 GE Refrigerator Screw 12-24 Tapping Hex .811 S Z
560SCR 12-24 TT HXW 1 3/64S