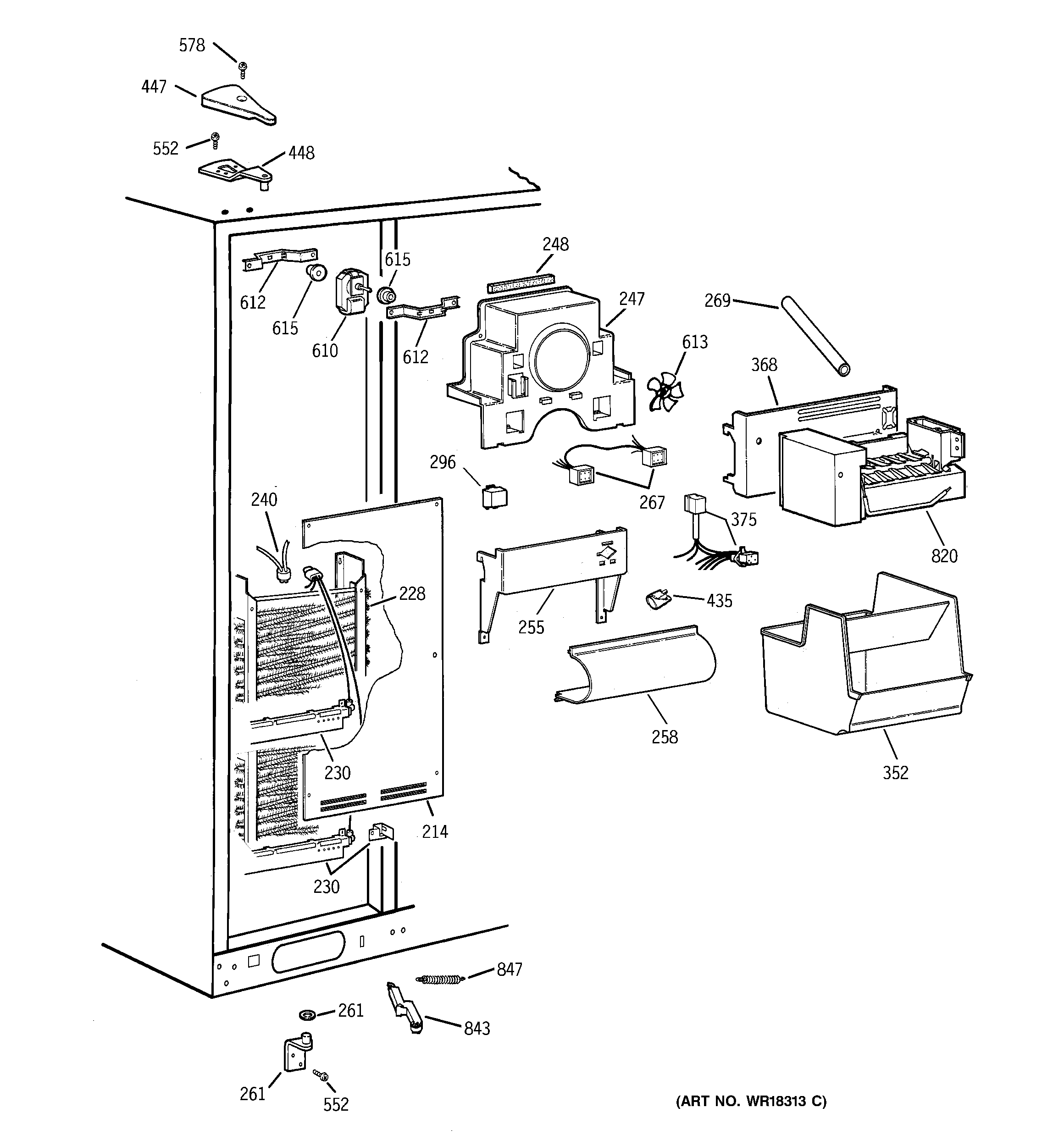
TPJ24BIBAWW FREEZER SECTIONadmin2025-04-26T12:38:41+00:00TPJ24BIBAWW FREEZER SECTION ProductsPositionProduct214GEN WR17X3835228GEN WR85X0306230WR51X443 GE Refrigerator Defrost Heater with Bi-metal230GEN WR02X8647240WR50X122 GE Refrigerator Defrost Bi-metal Thermostat247GEN WR17X10039248GEN WR14X0460255GEN WR17X4226258GEN WR17X4227261GEN WR13X0762261GEN WR01X2033267GEN WR23X0471269GEN WR02X7927296GEN WR02X10018352GEN WR30X0323368GEN WR02X10011375GEN WR23X0472435WR2X9391 GE Socket and Terminal435RANGE ONLY 40W 120V APPL BULB447GEN WR02X9433447GEN WR02X9434448GEN WR13X10012448GEN WR13X10013552WR01X10631 GE Screw578WZ2X464D GE Screw610GEN WR60X0253612GEN WR02X9319613WR60X114 GE Refrigerator Evaporator Motor Fan Blade615GEN WR02X7391820WR30X10093 GE Refrigerator Ice Maker843GEN WR11X0170847WR1X2027 GE Refrigerator Spring Closure