TPJ24PRBEBB FREEZER SECTION

TPJ24PRBEBB FREEZER SECTION

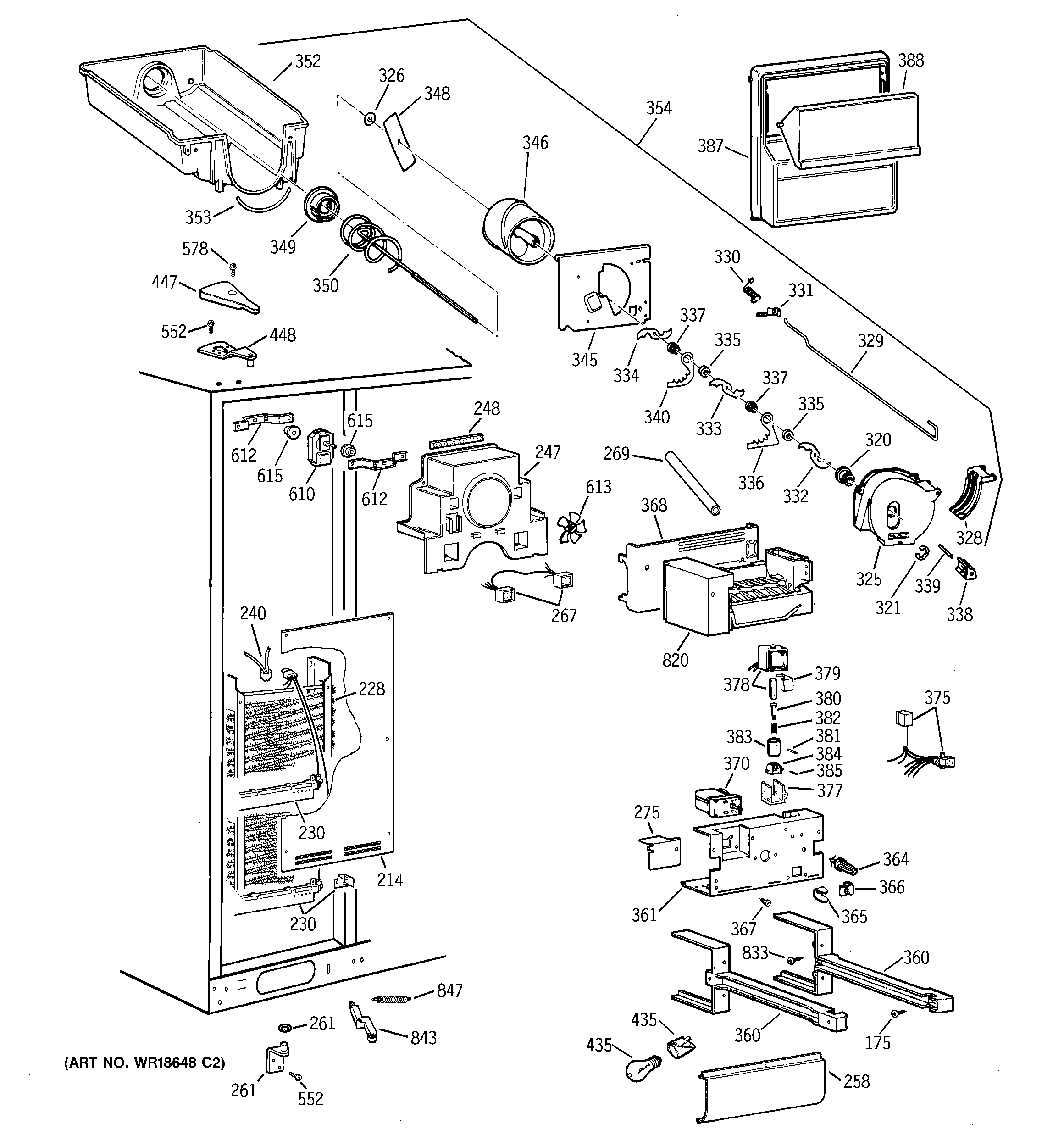
Products

PositionProduct
175SCR 8-18 AB IHW 5/8 S
214GEN WR17X3835
228GEN WR85X0306
230GEN WR02X8647
230GEN WR51X10022
240WR50X122 GE Refrigerator Defrost Bi-metal Thermostat
247GEN WR17X10039
248GEN WR14X0460
258GEN WR17X10401
261GEN WR01X2033
261GEN WR13X0759
267GEN WR23X0471
269GEN WR02X7927
275GEN WR01X2018
320GEN WR01X1585
321GEN WR01X1990
325WR17X2061 GE Refrigerator Crush Dispenser
326GEN WR01X1991
328GEN WR02X9164
328DEFLECTOR ICE DISP
328GEN WR02X4561
329GEN WR17X4210
330GEN WR02X4145
331GEN WR02X9165
332GEN WR17X3740
333GEN WR17X3741
334GEN WR17X3742
335GEN WR02X4139
336GEN WR17X3739
337WR2X4138 GE Refrigerator Spacer
338WR2X4140 GE Refrigerator Blade Rest
339GEN WR02X4141
340GEN WR17X3738
345GEN WR17X3733
346WR17X4207 GE Refrigerator Front Helix
348GEN WR02X7351
349WR2X4550 GE Refrigerator Drive Cup
350WR17X10044 GE Refrigerator Auger Helix Display
352WR30X322 GE Refrigerator Bucket Dispenser
353WR2X7905 GE Refrigerator Bucket Seal
354GEN WR17X10042
360GEN WR71X10180
361GEN WR17X10402
364GEN WR02X7310
365GEN WR02X4854
366GEN WR01X1547
367WR01X10618 GE Refrigerator Screw 8-18 TPT 1/4
368GEN WR02X10011
370GEN WR60X0219
375GEN WR23X0463
377WR2X7309 GE Refrigerator Solenoid Cushion
381WR62X23154 GE Refrigerator Ice Dispenser Solenoid Kit
382WR62X26536 GE Refrigerator Armature Kit
387GEN WR17X10041
388GEN WR17X3838
435RANGE ONLY 40W 120V APPL BULB
435WR2X9391 GE Socket and Terminal
447GEN WR02X9436
447COVER HINGE RH BK
448GEN WR13X10032
448GEN WR13X10033
552WR01X10631 GE Screw
578WZ2X464D GE Screw
610GEN WR60X0253
612GEN WR02X9319
613WR60X114 GE Refrigerator Evaporator Motor Fan Blade
615GEN WR02X7391
820WR30X10093 GE Refrigerator Ice Maker
833WD2X295 GE Refrigerator Screw
843GEN WR11X0173
847WR1X2027 GE Refrigerator Spring Closure