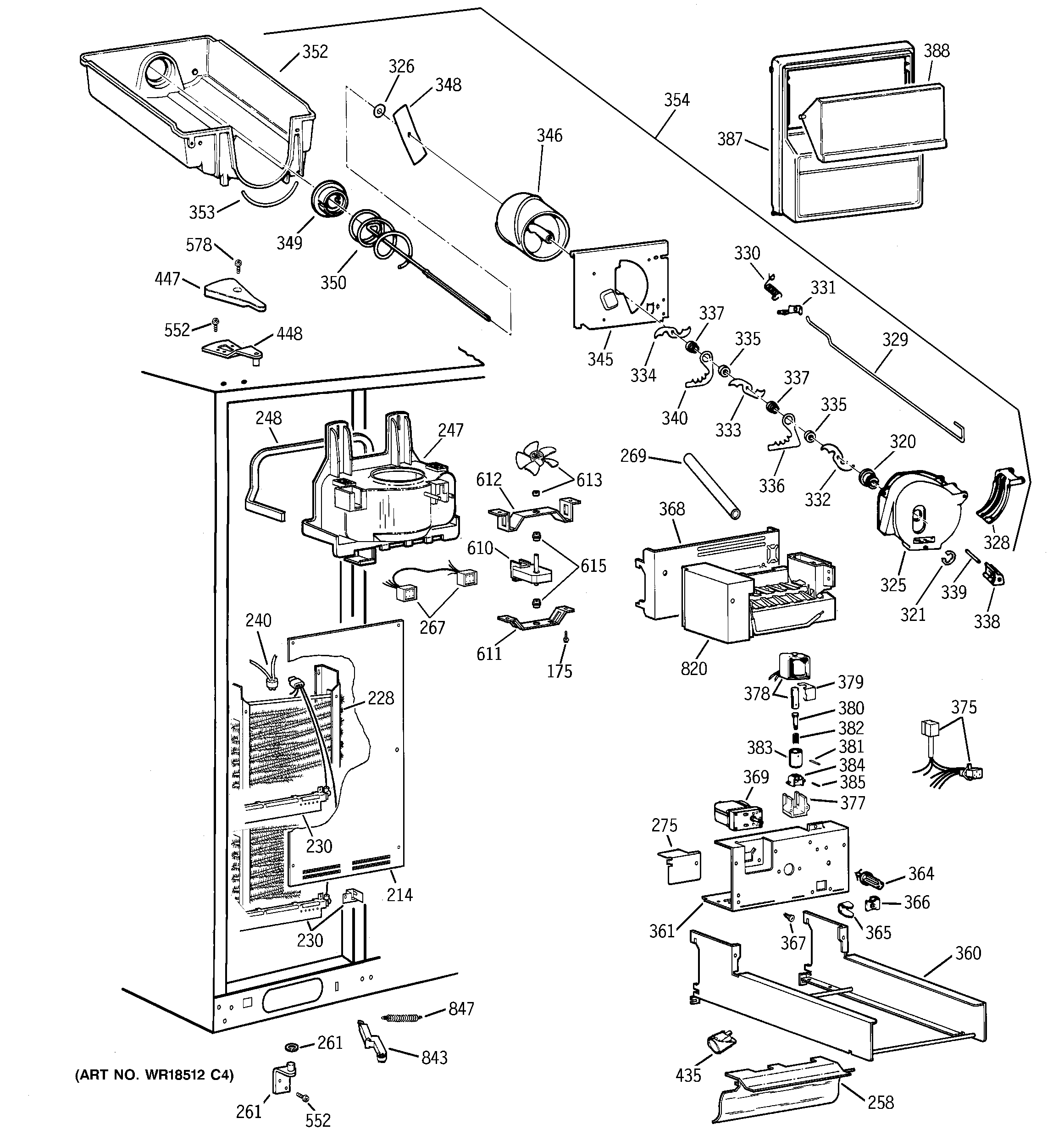
TPS24PBBEBS FREEZER SECTIONadmin2025-04-26T12:38:18+00:00TPS24PBBEBS FREEZER SECTION ProductsPositionProduct175WR01X10652 GE Refrigerator Screw 8-18 AB IHW 5/8 S175SCR 8-18 AB IHW 5/8 S214GEN WR17X10217228GEN WR85X0306230WR51X10055 GE Refrigerator Defrost Heater and Bracket Assembly230WR51X10029 GE Defrost Heater Harness240WR50X122 GE Refrigerator Defrost Bi-metal Thermostat247GEN WR17X10429248GEN WR14X0272258GEN WR17X10401261GEN WR01X2033261GEN WR13X0759267GEN WR23X10060269GEN WR01X1803269GEN WR02X7927275GEN WR01X2018320GEN WR01X1585321WR1X1367D GE Refrigerator Return Package 12325WR17X2061 GE Refrigerator Crush Dispenser326GEN WR01X1366328GEN WR02X4561328WR2X4143 GE Refrigerator Pivot328DEFLECTOR ICE DISP329GEN WR17X4210330GEN WR02X4145331GEN WR02X4251332WR17X1361 GE Refrigerator Blades Moving Display333WR17X1362 GE Refrigerator Middle Blade334WR17X1363 GE Refrigerator Blades Moving Display335GEN WR02X4139336GEN WR17X1009337WR2X4138 GE Refrigerator Spacer338WR2X4140 GE Refrigerator Blade Rest339GEN WR02X4141340WR17X2058 GE Refrigerator Dispenser Blade345PLATE FRONT DISP346WR17X4207 GE Refrigerator Front Helix348GEN WR02X7351349WR2X4550 GE Refrigerator Drive Cup350GEN WR17X4204352WR30X322 GE Refrigerator Bucket Dispenser353WR2X7905 GE Refrigerator Bucket Seal354GEN WR17X10366360GEN WR71X10180361GEN WR17X10431364GEN WR02X7310365GEN WR02X4854366GEN WR01X1547367WR01X10618 GE Refrigerator Screw 8-18 TPT 1/4368GEN WR02X10011369WR60X10262 GE Refrigerator Motor Crusher Dispenser375GEN WR23X10061377WR2X7309 GE Refrigerator Solenoid Cushion381WR62X23154 GE Refrigerator Ice Dispenser Solenoid Kit382WR62X26536 GE Refrigerator Armature Kit387GEN WR17X10041388GEN WR17X3838435WR2X9391 GE Socket and Terminal435RANGE ONLY 40W 120V APPL BULB447GEN WR02X9436447COVER HINGE RH BK448GEN WR13X10035448GEN WR13X10034552WR01X10631 GE Screw578WZ2X464D GE Screw610WR60X10008 GE Refrigerator Evaporator Fan Motor611BRACKET COND. FAN612GEN WR02X10101613GEN WR60X10011613WR60X114 GE Refrigerator Evaporator Motor Fan Blade615GROMMET EVAP820WR30X10093 GE Refrigerator Ice Maker843GEN WR11X0173847WR1X2027 GE Refrigerator Spring Closure