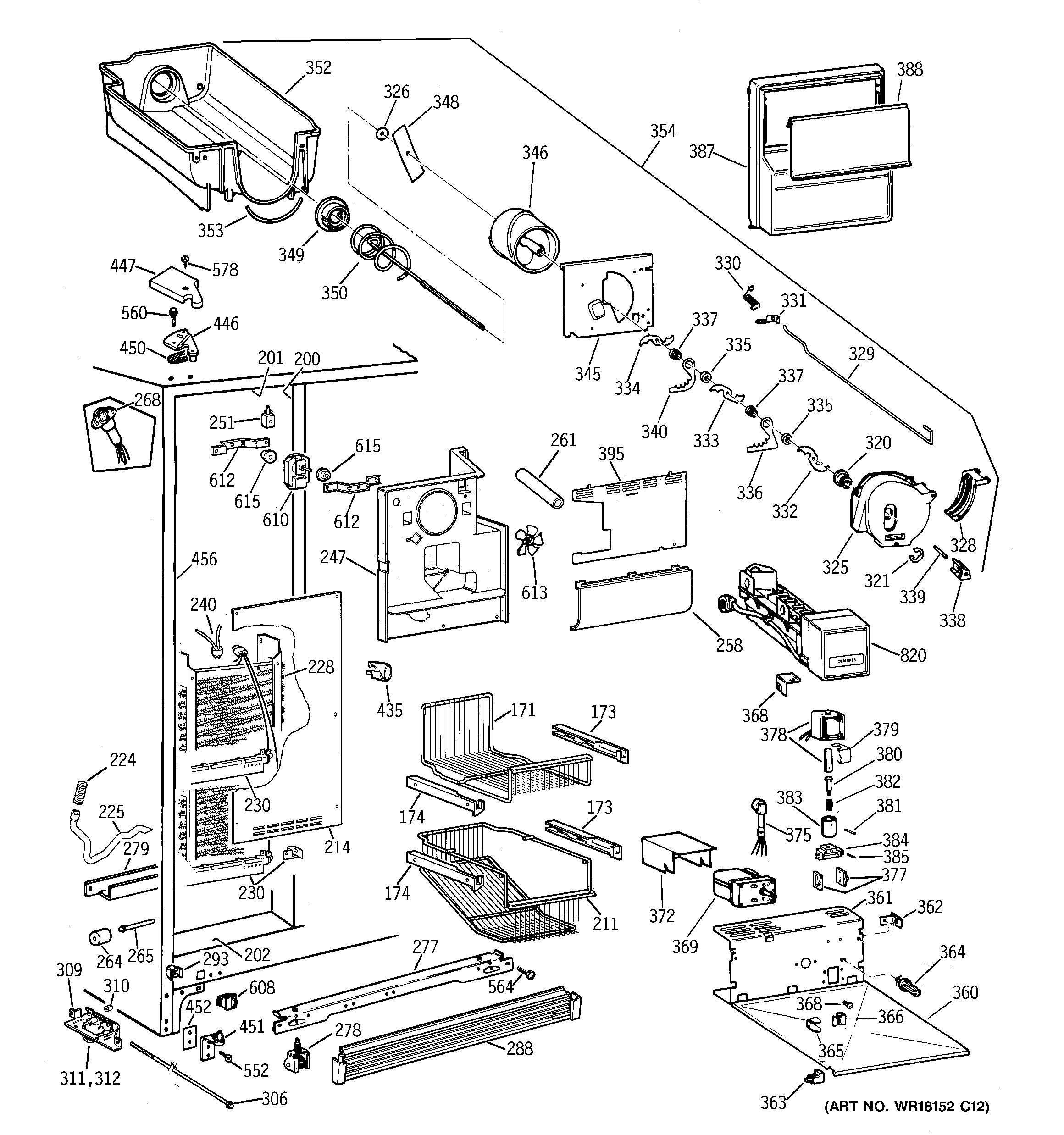
TPX21BRBBWW FREEZER SECTIONadmin2025-04-26T12:38:19+00:00TPX21BRBBWW FREEZER SECTION ProductsPositionProduct171GEN WR71X2402173WR72X10079 GE Refrigerator Right Hand Basket Support Slide174SUPPORT SLIDE BASKET LH200GEN WR40X1763201GEN WR40X1753202GEN WR40X1754211GEN WR71X2403214GEN WR01X2128214GEN WR14X0456214GEN WR17X3915224GEN WR02X8657225GEN WR02X8293225GEN WR01X5042228WR87X29147 GE Refrigerator 25' Evaporator230WR51X443 GE Refrigerator Defrost Heater with Bi-metal230GEN WR02X8647240WR50X122 GE Refrigerator Defrost Bi-metal Thermostat247GEN WR17X10270251GEN WR02X2880258GEN WR17X1424261GEN WR02X6087264WHEEL MOBILITY REAR265GEN WR02X3595265GEN WR02X4742268GEN WR23X0312277GEN WR17X2113278WHEEL ASM FRT278WR2X3594 GE Refrigerator Wheel279GEN WR17X10058288GEN WR74X0206293GEN WR02X7080306GEN WR01X1907309BRKT & MOBILITY RR RH309BRKT & MOBILITY RR LH310GEN WR02X8832311GEN WR02X8842312WR02X10480 GE Refrigerator Mobility Wheel320GEN WR01X1585321WR1X1367D GE Refrigerator Return Package 12325WR17X2061 GE Refrigerator Crush Dispenser326GEN WR01X1366328WR2X4143 GE Refrigerator Pivot328GEN WR02X4561328DEFLECTOR ICE DISP329WIRE ACTUATOR DISP330GEN WR02X4145331GEN WR02X4251332WR17X1361 GE Refrigerator Blades Moving Display333WR17X1362 GE Refrigerator Middle Blade334WR17X1363 GE Refrigerator Blades Moving Display335GEN WR02X4139336GEN WR17X1009337WR2X4138 GE Refrigerator Spacer338WR2X4140 GE Refrigerator Blade Rest339GEN WR02X4141340WR17X2058 GE Refrigerator Dispenser Blade345PLATE FRONT DISP346WR17X4207 GE Refrigerator Front Helix348GEN WR02X7351349WR2X4550 GE Refrigerator Drive Cup350GEN WR17X4309352WR30X256 GE Refrigerator Ice Dispenser353WR2X7905 GE Refrigerator Bucket Seal354WR17X4312 GE Refrigerator Ice Maker Auger and Bucket Assembly360GEN WR71X2465360GEN WR02X4566361GEN WR17X3310362GEN WR02X8839363GEN WR02X8952364GEN WR02X7310365GEN WR02X4854366GEN WR01X1547368WR01X10618 GE Refrigerator Screw 8-18 TPT 1/4368GEN WR02X8459369WR60X10262 GE Refrigerator Motor Crusher Dispenser372WR02X11295 GE Refrigerator Auger Motor Boot375GEN WR23X0386377WR2X7309 GE Refrigerator Solenoid Cushion381WR62X23154 GE Refrigerator Ice Dispenser Solenoid Kit382WR62X26536 GE Refrigerator Armature Kit387GEN WR17X10378388GEN WR17X10275395GEN WR17X3321435RANGE ONLY 40W 120V APPL BULB435WR2X9391 GE Socket and Terminal446GEN WR13X0660447GEN WR02X8862447GEN WR02X8863450GEN WR02X4194451WR13X10020 GE Refrigerator Door Hinge Assembly with Cam452SHIM HINGE BTM.452GEN WR02X7011456GEN WR40X1761552WR01X10600 GE Refrigerator Screw 12-24 Tapping Hex .811 S Z560GEN WR01X2140564SCR 1/4 14 BA HX 3/4 SN