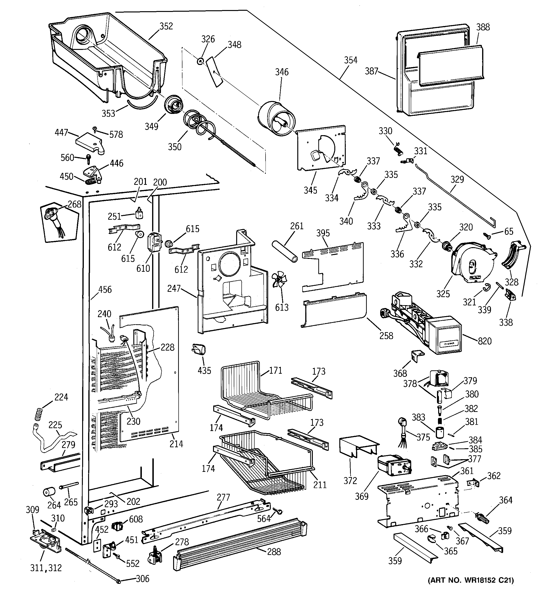
TPX21PRDAAA FREEZER SECTION

TPX21PRDAAA FREEZER SECTION

Products

PositionProduct
65WZ4X230D GE Screw Package 12
171GEN WR71X10153
173WR72X10079 GE Refrigerator Right Hand Basket Support Slide
174SUPPORT SLIDE BASKET LH
200GEN WR40X10033
200GEN WR40X10032
201GEN WR40X1753
202GEN WR40X1754
211GEN WR71X2403
214GEN WR01X10064
214GEN WR14X0456
214GEN WR17X3915
224GEN WR02X8657
225GEN WR01X5042
225GEN WR02X10395
228WR87X29147 GE Refrigerator 25' Evaporator
230WR51X10029 GE Defrost Heater Harness
230WR51X10055 GE Refrigerator Defrost Heater and Bracket Assembly
240WR50X122 GE Refrigerator Defrost Bi-metal Thermostat
247GEN WR17X10270
251GEN WR02X2880
258GEN WR17X1424
261GEN WR02X6087
264WR2X3594 GE Refrigerator Wheel
264WHEEL MOBILITY REAR
265GEN WR02X3595
265GEN WR02X4742
268GEN WR23X0312
277GEN WR17X2113
278WHEEL ASM FRT
279GEN WR17X10434
288GEN WR74X0209
293GEN WR02X7080
306GEN WR01X1907
309BRKT & MOBILITY RR RH
309BRKT & MOBILITY RR LH
310GEN WR02X8832
311GEN WR02X8842
312WR02X10480 GE Refrigerator Mobility Wheel
320GEN WR01X1585
321WR1X1367D GE Refrigerator Return Package 12
325WR17X2061 GE Refrigerator Crush Dispenser
326GEN WR01X1366
328WR2X4143 GE Refrigerator Pivot
328DEFLECTOR ICE DISP
328GEN WR02X4561
329WIRE ACTUATOR DISP
330GEN WR02X4145
331GEN WR02X4251
332WR17X1361 GE Refrigerator Blades Moving Display
333WR17X1362 GE Refrigerator Middle Blade
334WR17X1363 GE Refrigerator Blades Moving Display
335GEN WR02X4139
336GEN WR17X1009
337WR2X4138 GE Refrigerator Spacer
338WR2X4140 GE Refrigerator Blade Rest
339GEN WR02X4141
340WR17X2058 GE Refrigerator Dispenser Blade
345PLATE FRONT DISP
346WR17X4207 GE Refrigerator Front Helix
348GEN WR02X7351
349WR2X4550 GE Refrigerator Drive Cup
350GEN WR17X4309
352WR30X256 GE Refrigerator Ice Dispenser
353WR2X7905 GE Refrigerator Bucket Seal
354WR17X4312 GE Refrigerator Ice Maker Auger and Bucket Assembly
359GEN WR71X10196
359GEN WR71X10197
361GEN WR17X10563
362GEN WR02X8839
364GEN WR02X7310
365GEN WR02X4854
366GEN WR01X1547
367WR01X10618 GE Refrigerator Screw 8-18 TPT 1/4
368GEN WR02X8459
369WR60X10262 GE Refrigerator Motor Crusher Dispenser
372WR02X11295 GE Refrigerator Auger Motor Boot
375GEN WR23X0386
377WR2X7309 GE Refrigerator Solenoid Cushion
381WR62X23154 GE Refrigerator Ice Dispenser Solenoid Kit
382WR62X26536 GE Refrigerator Armature Kit
387GEN WR17X10558
388GEN WR17X10275
395GEN WR17X3321
435WR2X9391 GE Socket and Terminal
435RANGE ONLY 40W 120V APPL BULB
446GEN WR13X0660
447GEN WR02X8844
447GEN WR02X8843
450GEN WR02X4194
451WR13X10020 GE Refrigerator Door Hinge Assembly with Cam
452SHIM HINGE BTM.
452GEN WR02X7011
456GEN WR40X1761
552SCR 12-24 TT HXW 1 3/64S