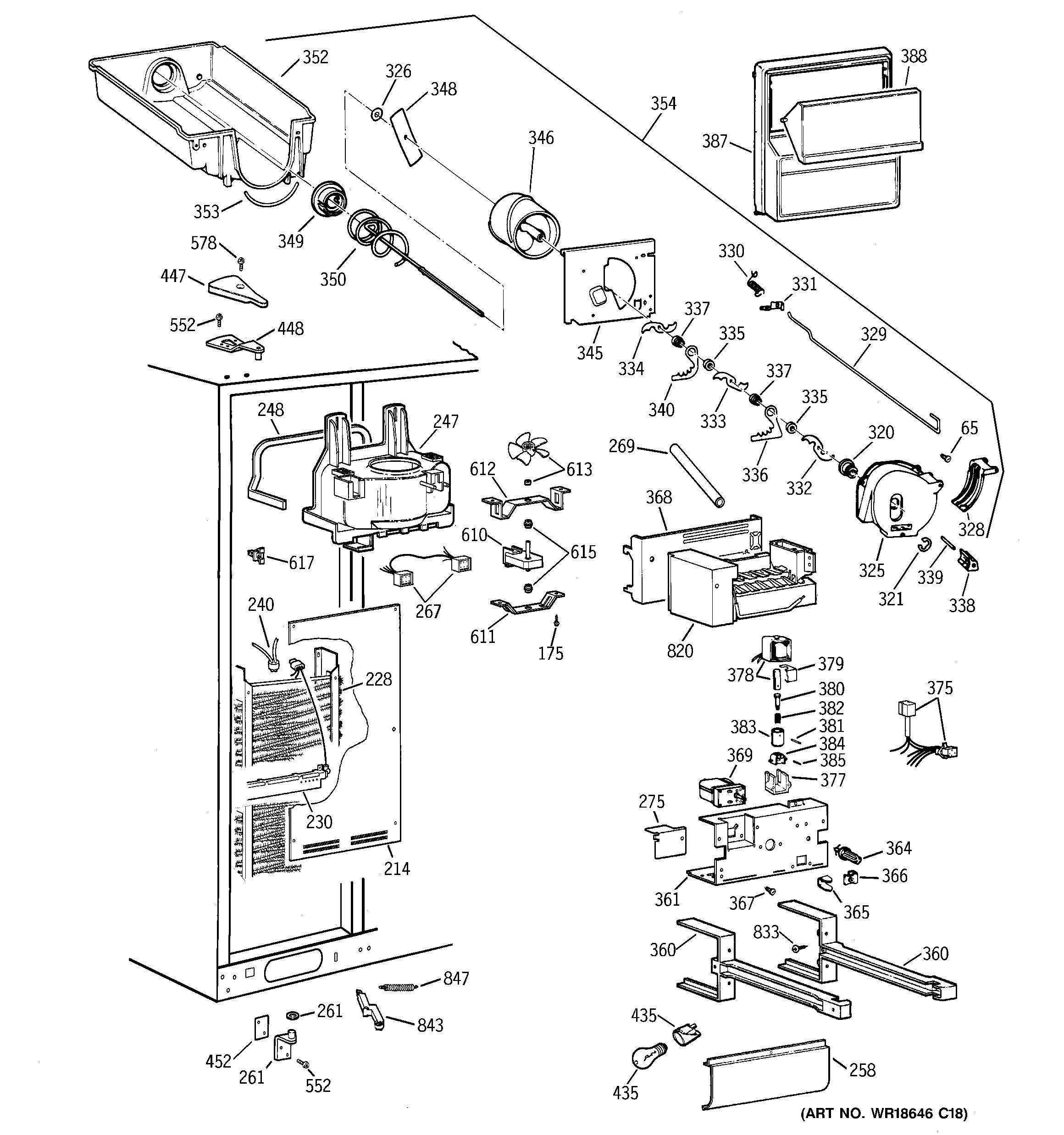
TPX24PPDBCC FREEZER SECTION

TPX24PPDBCC FREEZER SECTION

Products

PositionProduct
65WZ4X230D GE Screw Package 12
175WR01X10652 GE Refrigerator Screw 8-18 AB IHW 5/8 S
175SCR 8-18 AB IHW 5/8 S
214GEN WR17X10217
228GEN WR85X0306
230WR51X10029 GE Defrost Heater Harness
230WR51X10055 GE Refrigerator Defrost Heater and Bracket Assembly
240WR50X122 GE Refrigerator Defrost Bi-metal Thermostat
247GEN WR17X10429
248GEN WR14X0272
258GEN WR17X10401
261GEN WR13X10069
261GEN WR01X2033
267GEN WR23X10058
269GEN WR02X7927
275GEN WR01X2018
320GEN WR01X1585
321WR1X1367D GE Refrigerator Return Package 12
325WR17X2061 GE Refrigerator Crush Dispenser
326GEN WR01X1366
328WR2X4143 GE Refrigerator Pivot
328DEFLECTOR ICE DISP
328GEN WR02X4561
329GEN WR17X4210
330GEN WR02X4145
331GEN WR02X4251
332WR17X1361 GE Refrigerator Blades Moving Display
333WR17X1362 GE Refrigerator Middle Blade
334WR17X1363 GE Refrigerator Blades Moving Display
335GEN WR02X4139
336GEN WR17X1009
337WR2X4138 GE Refrigerator Spacer
338WR2X4140 GE Refrigerator Blade Rest
339GEN WR02X4141
340WR17X2058 GE Refrigerator Dispenser Blade
345PLATE FRONT DISP
346WR17X4207 GE Refrigerator Front Helix
348GEN WR02X7351
349WR2X4550 GE Refrigerator Drive Cup
350GEN WR17X4204
352WR30X322 GE Refrigerator Bucket Dispenser
353WR2X7905 GE Refrigerator Bucket Seal
354GEN WR17X10366
360GEN WR71X10180
361GEN WR17X10431
364GEN WR02X7310
365GEN WR02X4854
366GEN WR01X1547
367WR01X10618 GE Refrigerator Screw 8-18 TPT 1/4
368GEN WR02X10011
369WR60X10262 GE Refrigerator Motor Crusher Dispenser
375GEN WR23X0463
377WR2X7309 GE Refrigerator Solenoid Cushion
381WR62X23154 GE Refrigerator Ice Dispenser Solenoid Kit
382WR62X26536 GE Refrigerator Armature Kit
387GEN WR17X10539
388GEN WR17X3838
435RANGE ONLY 40W 120V APPL BULB
435WR2X9391 GE Socket and Terminal
447GEN WR02X10415
447GEN WR02X10414
448GEN WR13X10035
448GEN WR13X10034
452GEN WR02X7011
552WR01X10631 GE Screw
578WZ2X464D GE Screw
610WR60X10008 GE Refrigerator Evaporator Fan Motor
611BRACKET COND. FAN
612GEN WR02X10101
613GEN WR60X10011
613WR60X114 GE Refrigerator Evaporator Motor Fan Blade
615GROMMET EVAP
617WR2X8349 GE Screw Grommet
820WR30X10093 GE Refrigerator Ice Maker
833WD2X295 GE Refrigerator Screw
843GEN WR11X10006
847WR1X2027 GE Refrigerator Spring Closure