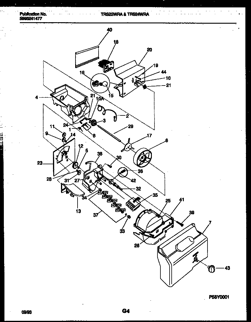
TRS24WRAD0 13 – ICE DISPENSER