| *27082 | PLUG, BUTTON, CABINET LINER (NI) |
| *27081 | 5304500008 Frigidaire Oven Screw |
| *27084 | 5303321319 Frigidaire Refrigerator White Touch Up Paint |
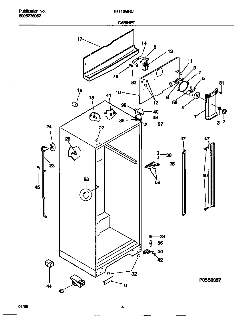
| 1 | WCI 5303307350 |
| 2 | WCI 5303307351 |
| 3 | Nut,push-on |
| 4 | WCI 218430000 |
| 5 | 5308000010 Frigidaire Refrigerator Evaporator Fan Blade |
| 6 | WCI 218448301 |
| 7 | RING-FAN ORIFICE |
| 8 | G187559 Frigidaire Refrigerator Bushing |
| 9 | WCI 5303205118 |
| 10B | NUT, ``U`` TYPE, NO. 8-15(A), FAN MOTOR MOUNT (NOT ILLUSTRATED) |
| 10A | WCI 3206451 |
| 11 | 5303208309 Frigidaire Refrigerator Plug Hole |
| 12B | WCI 215079100 |
| 12A | WCI 215079000 |
| 13 | 5300158289 Frigidaire Evaporator Fan Motor |
| 14 | BRACKET-MOTOR MTG, REAR |
| 17 | TROUGH-DRAIN |
| 18 | SUPPORT - EVAP COVER, (2) |
| 19 | TUBE-RUBBER |
| 22 | 215774901 Frigidaire Refrigerator Button Plug |
| 23 | WCI 5303269702 |
| 24 | WCI 5303207353 |
| 25 | WCI 215774100 |
| 29 | WASHER, .34 X .62 X .05, NYLON |
| 30B | TAPPING PLATE, LOWER HINGE, (2) (NI) |
| 30C | SHIM, LOWER HINGE (NI) |
| 30A | WCI 3206136 |
| 32 | PLUG-BUTTON, WHITE, CABINET BASE |
| 35 | BRACKET-CTR HINGE, LIGHT GREY |
| 36 | 218251300 Frigidaire Refrigerator Center Hinge Pin |
| 37 | TRIM-CABINET CORNER, WHITE |
| 38 | WCI 3206100 |
| 39 | SHIM - UPPER HINGE |
| 40 | WCI 3206101 |
| 41B | 5304500407 Frigidaire Refrigerator Shelf Mounting Grommet |
| 41A | 5304509705 Frigidaire Refrigerator Grommet |
| 42 | 241710601 Frigidaire Refrigerator Screw |
| 43B | WCI 5308009760 |
| 43E | BOLT-ROLLER ADJ, (2) (NON-ILLUSTRATED) |
| 43A | WCI 5300188673 |
| 43C | WCI 5308009790 |
| 43D | WCI 5308011326 |
| 44 | ROLLER ASSY, METAL HOUSING, REAR, (2) |
| 45 | 5304455651 Frigidaire Refrigerator Screw |
| 47 | WCI 218233300 |
| 56 | 5303001321 Frigidaire Refrigerator Lower Hinge Pin |
| 59 | 240442708 Frigidaire Refrigerator Screw-#10-32 X 3/4 |
| 60 | 5304455852 Frigidaire Refrigerator Screw |
| 81 | 5304455650 Frigidaire Refrigerator Screw |
| 83 | WCI 5308000107 |
| 98 | 215099701 Frigidaire Refrigerator Button Plug |