TSK145PN0D 05 – SYSTEM AND AUTOMATIC DEFROST PARTSadmin2025-04-26T09:47:48+00:00TSK145PN0D 05 – SYSTEM AND AUTOMATIC DEFROST PARTS
Products
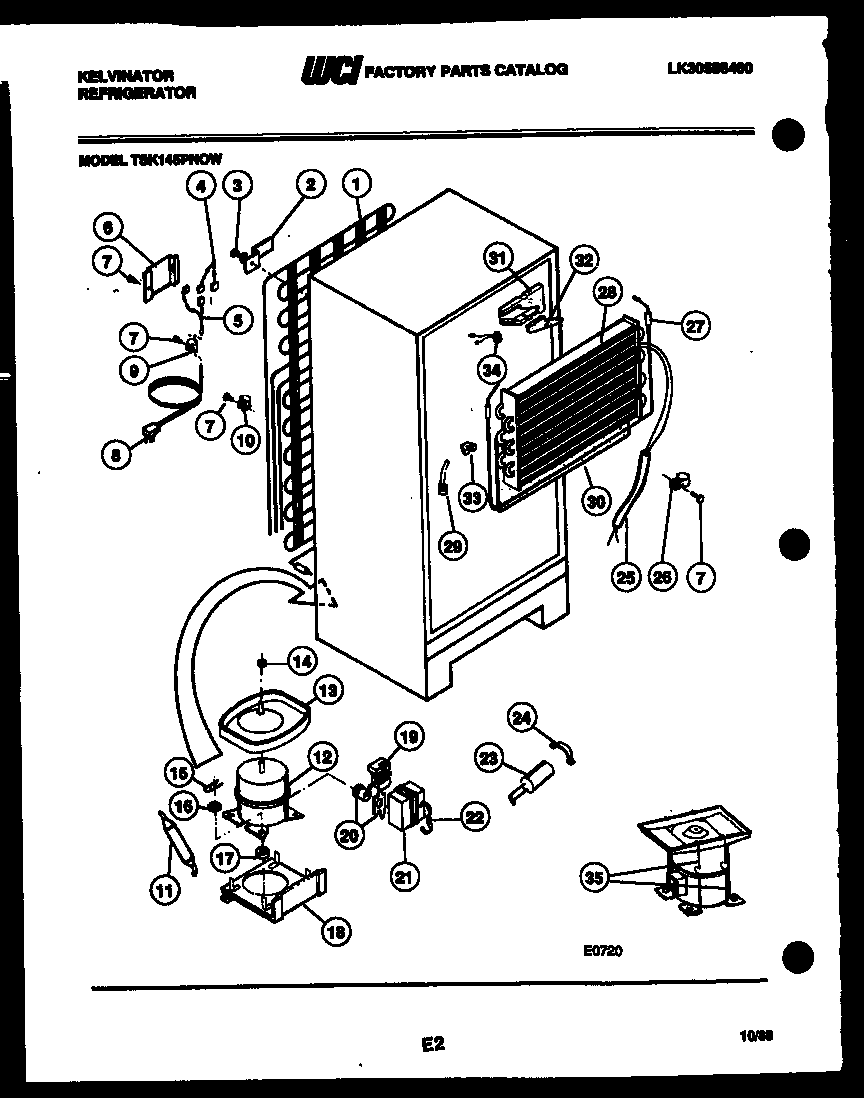
| Position | Product |
|---|
| *55340 | HOT TUBE REPAIR KIT (NON-ILLUSTRATED) |
| *55339 | 5303307583 Frigidaire Refrigerator P1 Pad Noise Reduction |
| 1 | WCI G178225 |
| 2 | BRACKET-CONDENSER MOUNTING (4) |
| 3 | 5308000039 Frigidaire Refrigerator Screw |
| 4 | HARNESS, WIRING |
| 5 | HARNESS-COMPRESSOR |
| 6 | WCI G183584 |
| 7 | 5304455651 Frigidaire Refrigerator Screw |
| 8 | CORD, SERVICE |
| 9 | 5303001199 Frigidaire Refrigerator Wiring Harness Clamp |
| 10 | CLAMP-CABLE |
| 11 | 5303305677 Frigidaire Replacement Filter Dryer Filters |
| 12 | WCI 3916004 |
| 13 | DEFROST PAN & NUT |
| 14 | NUT, LOCK |
| 15 | CLIP, COMPRESSOR MOUNTING (4) |
| 16 | WASHER, COMPRESSOR MOUNTING (4) |
| 17 | 218513300 Frigidaire Refrigerator Compressor Mount Grommet |
| 18 | WCI G162822 |
| 19 | WCI G182225-18 |
| 20 | WCI 3201680 |
| 22 | 5303006412 Frigidaire Refrigerator Cover Mounting Strap |
| 23 | WCI 3018427 |
| 24 | STRAP CAPACITOR |
| 25 | EXCHANGER-HEAT |
| 26 | 240396801 Frigidaire Refrigerator Tube Clamp |
| 27 | WCI G162432-02 |
| 28 | EVAPORATOR |
| 29 | 5308000110 Frigidaire Refrigerator Evaporator/Heater Primary Strap |
| 30 | INSULATOR |
| 31 | BLOCK, EVAPORATOR, RH |
| 32 | PLUG, EVAPORATOR INSULATION BLOCK, R H |
| 33 | BLOCK, LEFT SIDE |
| 34 | 5303917954 Frigidaire Refrigerator Defrost Limit Thermostat Kit |
| 35 | PAN RETAINER KIT-SERVICE |