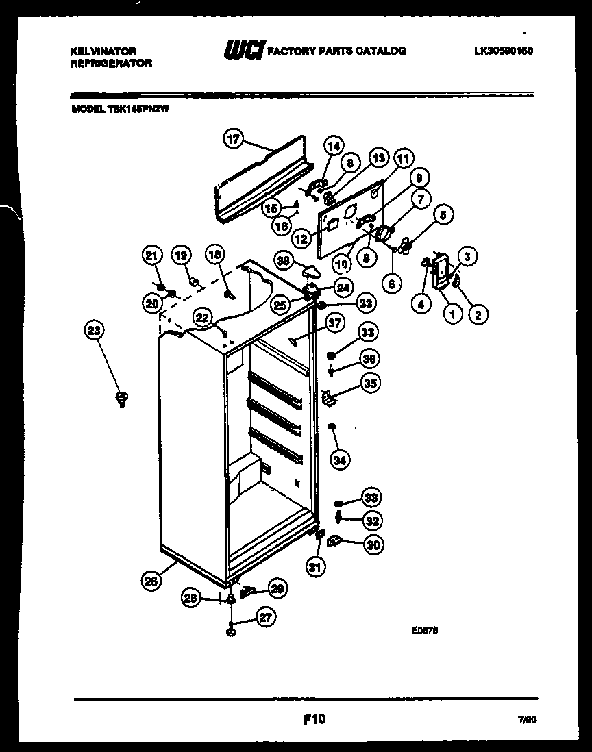
TSK145PN2F 03 – CABINET PARTSadmin2025-04-26T09:49:45+00:00TSK145PN2F 03 – CABINET PARTS
Products
| Position | Product |
|---|
| *14148 | TAPPING PLATE, UPPER HINGE (2) (NOT ILLUSTRATED) |
| *14148 | PLUG, BUTTON, CABINET LINER (NI) |
| 1 | SCREW, HANDLE MOUNTING (2) |
| 2 | WCI 5308000081 |
| 3 | Nut,push-on |
| 4 | DAMPER-FAN COVER |
| 5 | 5308000010 Frigidaire Refrigerator Evaporator Fan Blade |
| 6 | 218843801 Frigidaire Refrigerator Screw |
| 7 | RING-FAN ORIFICE |
| 8 | G187559 Frigidaire Refrigerator Bushing |
| 9 | WCI 5303001226 |
| 10B | NUT, ``U`` TYPE, NO. 8-15(A), FAN MOTOR MOUNT (NOT ILLUSTRATED) |
| 10 | WCI 3001358 |
| 10A | 5304455650 Frigidaire Refrigerator Screw |
| 11 | 5303208309 Frigidaire Refrigerator Plug Hole |
| 12 | BUTTON - DECORATIVE PLUG |
| 13 | 5300158289 Frigidaire Evaporator Fan Motor |
| 14 | BRACKET-MOTOR MTG, REAR |
| 15 | WCI 5308000107 |
| 17 | TROUGH-DRAIN |
| 18 | SUPPORT-COIL COVER |
| 19 | TUBE-RUBBER |
| 20 | WCI 5303001286 |
| 21 | WCI 5303001287 |
| 22 | PLUG, COFFEE |
| 23A | 5304455651 Frigidaire Refrigerator Screw |
| 23 | TUBE - DRAIN |
| 24 | BRACKET-UPPER HINGE |
| 25 | SHIM - UPPER HINGE |
| 26 | WCI 5303006086 |
| 27 | SCREW-LEVELING (4) |
| 28 | WCI 5308003584 |
| 29 | COVER-HOLE, LOWER HINGE |
| 30 | HINGE - LOWER DOOR |
| 30A | 241710601 Frigidaire Refrigerator Screw |
| 31 | SHIM-LOWER HINGE |
| 32 | 5303001321 Frigidaire Refrigerator Lower Hinge Pin |
| 33 | WASHER, .34 X .62 X .05, NYLON |
| 34 | WASHER, .28 X .62 X .19, NYLON |
| 35 | WCI 5303001269 |
| 35A | WCI 5308012258 |
| 36 | WCI 5308000184 |
| 37 | CORNER TRIM, COFFEE (4) |
| 38 | WCI 5303001666 |