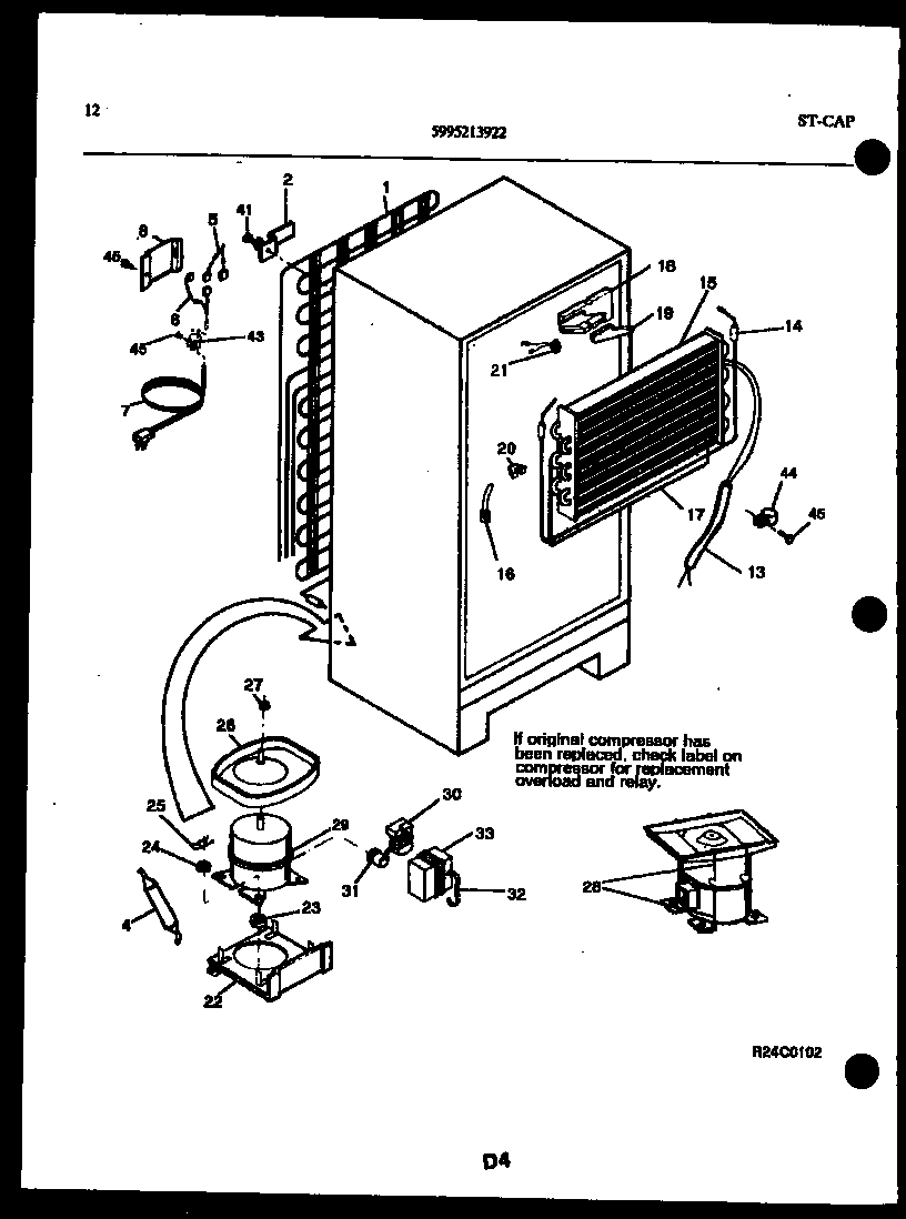
TSK150HN0D 07 – SYSTEM AND AUTOMATIC DEFROST PARTS