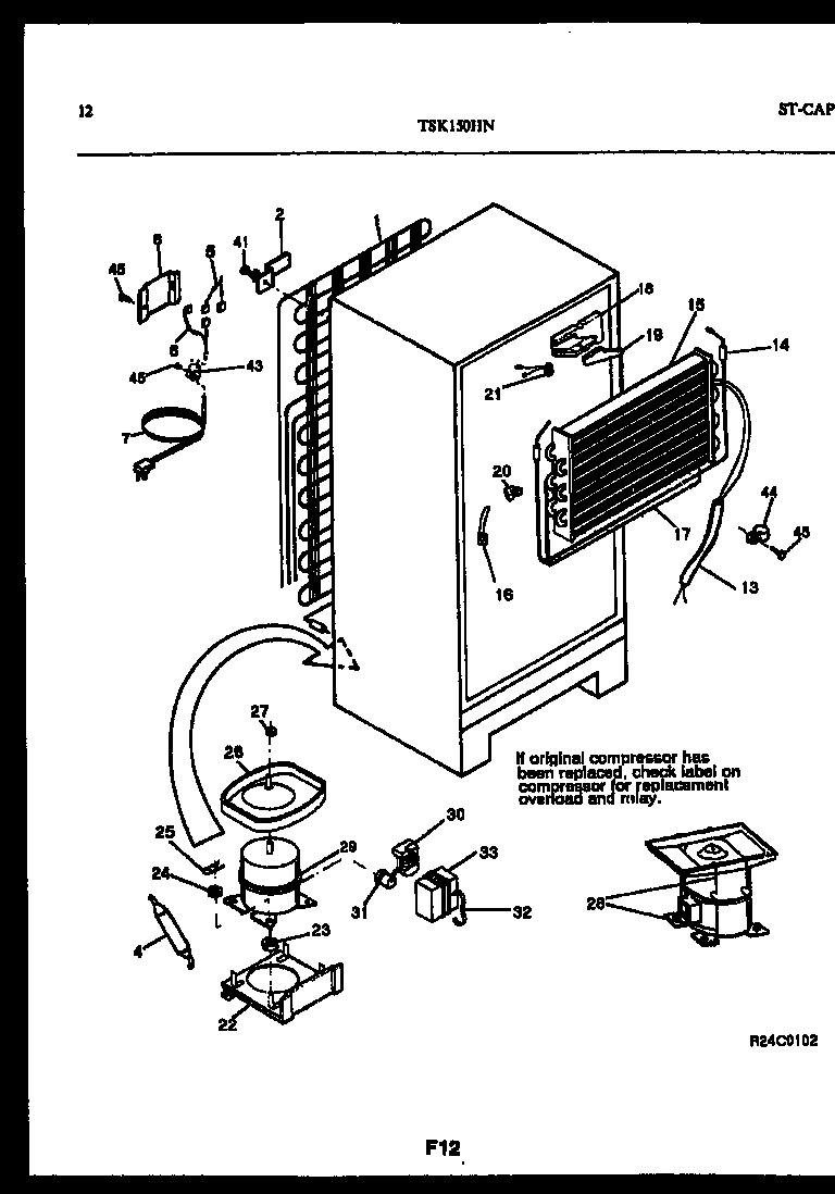
TSK150HN2T 07 – SYSTEM AND AUTOMATIC DEFROST PARTS