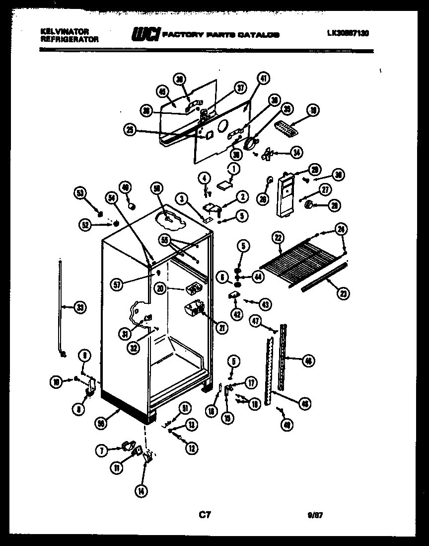
TSK160AN7D 03 – CABINET PARTS

TSK160AN7D 03 – CABINET PARTS

Products

PositionProduct
*99163TAPPING, PLATE (2)
*99150BUTTON, PLUG, LINER (2)
*99158BUTTON, LINER
1COVER, TOP HINGE, ALMOND
2BRACKET, TOP HINGE
3WCI G183861
4241710601 Frigidaire Refrigerator Screw
5WCI G103903
6WASHER, NYLON 5/16 X 5/8 (CTR & LOWER HINGE BRACKET)
7ROLLER FRONT, ADJUSTABLE (2)
8ROLLER, REAR (2)
95304455651 Frigidaire Refrigerator Screw
10BOLT ROLLER (2)
11SPRING-ROLLER (2)
12BOLT-ROLLER (2)
13WASHER
14SUPPORT, ROLLER (2)
15BRACKET, HINGE, LOWER
16SHIM, HINGE
175303001321 Frigidaire Refrigerator Lower Hinge Pin
19215667501 Frigidaire Refrigerator Ice Tray Primary
20DEFLECTOR AIR
21WCI G162178
22WCI G177059-01
23WCI G172434-20
24WCI G166495-01
25PLUG, DECORATIVE
26DAMPER FAN COVER
27NUT, DAMPER MOUNTING
28WCI G162663-13
29WCI G163061-63
305304455650 Frigidaire Refrigerator Screw
31SPOUT DRAIN TUBE
32PIN PUSH SPOUT (2)
33ARING, SEAL (NON-ILLUSTRATED)
33TUBE, DRAIN
345308000010 Frigidaire Refrigerator Evaporator Fan Blade
35RING, FAN ORIFICE
36G187559 Frigidaire Refrigerator Bushing
375300158289 Frigidaire Evaporator Fan Motor
38WCI G185302
39WCI G185303
40TUBE, INSULATION (2)
41COVER-COIL
41ANUT, ORIFICE (2)
42BRACKET, HINGE CENTER
42AWASHER (2)
43SCREW, BRACKET MOUNTING (4)
44WCI G142220
45TROUGH-DRAIN
46CHANNEL, SHELF (2)
475304455852 Frigidaire Refrigerator Screw
48WCI G189341
49SCREW (3) (NON-ILLUSTRATED)
50WCI G163669
51WCI G166912
52WCI G174733
53WCI G174734
54WCI G174747-11
555304509705 Frigidaire Refrigerator Grommet
55A5304500407 Frigidaire Refrigerator Shelf Mounting Grommet
56CABINET BASE
57TRIM-CORNER, ALMOND (4)