TSK160AN7W 03 – CABINET PARTSadmin2025-04-26T09:47:41+00:00TSK160AN7W 03 – CABINET PARTS
Products
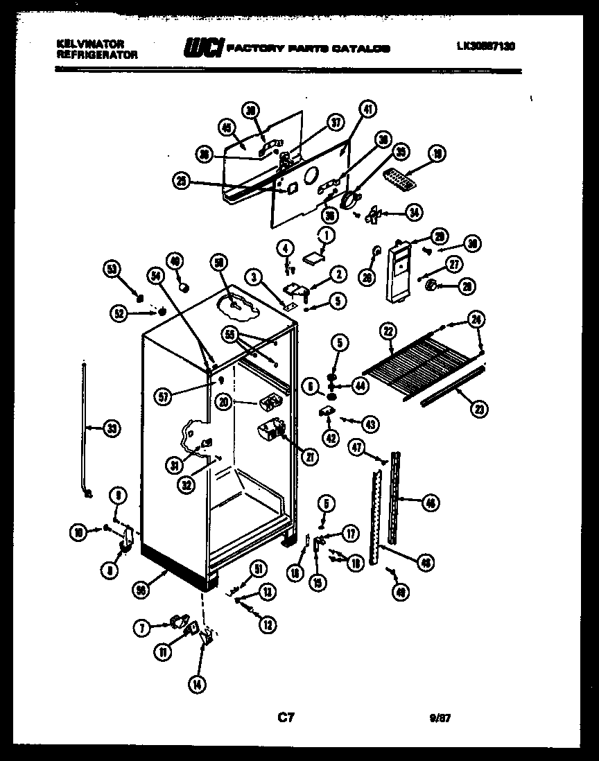
| Position | Product |
|---|
| *99163 | TAPPING, PLATE (2) |
| *99150 | BUTTON, PLUG, LINER (2) |
| *99158 | BUTTON, LINER |
| 1 | COVER HINGE, WHITE |
| 2 | BRACKET, TOP HINGE |
| 3 | WCI G183861 |
| 4 | 241710601 Frigidaire Refrigerator Screw |
| 5 | WCI G103903 |
| 6 | WASHER, NYLON 5/16 X 5/8 (CTR & LOWER HINGE BRACKET) |
| 7 | ROLLER FRONT, ADJUSTABLE (2) |
| 8 | ROLLER, REAR (2) |
| 9 | 5304455651 Frigidaire Refrigerator Screw |
| 10 | BOLT ROLLER (2) |
| 11 | SPRING-ROLLER (2) |
| 12 | BOLT-ROLLER (2) |
| 13 | WASHER |
| 14 | SUPPORT, ROLLER (2) |
| 15 | BRACKET, HINGE, LOWER |
| 16 | SHIM, HINGE |
| 17 | 5303001321 Frigidaire Refrigerator Lower Hinge Pin |
| 19 | 215667501 Frigidaire Refrigerator Ice Tray Primary |
| 20 | DEFLECTOR AIR |
| 21 | WCI G162178 |
| 22 | WCI G177059-01 |
| 23 | WCI G172434-20 |
| 24 | WCI G166495-01 |
| 25 | PLUG, DECORATIVE |
| 26 | DAMPER FAN COVER |
| 27 | NUT, DAMPER MOUNTING |
| 28 | WCI G162663-13 |
| 29 | WCI G163061-63 |
| 30 | 5304455650 Frigidaire Refrigerator Screw |
| 31 | SPOUT DRAIN TUBE |
| 32 | PIN PUSH SPOUT (2) |
| 33A | RING, SEAL (NON-ILLUSTRATED) |
| 33 | TUBE, DRAIN |
| 34 | 5308000010 Frigidaire Refrigerator Evaporator Fan Blade |
| 35 | RING, FAN ORIFICE |
| 36 | G187559 Frigidaire Refrigerator Bushing |
| 37 | 5300158289 Frigidaire Evaporator Fan Motor |
| 38 | WCI G185302 |
| 39 | WCI G185303 |
| 40 | TUBE, INSULATION (2) |
| 41A | NUT, ORIFICE (2) |
| 41 | COVER-COIL |
| 42 | BRACKET, HINGE CENTER |
| 42A | WASHER (2) |
| 43 | SCREW, BRACKET MOUNTING (4) |
| 44 | WCI G142220 |
| 45 | TROUGH-DRAIN |
| 46 | CHANNEL, SHELF (2) |
| 47 | 5304455852 Frigidaire Refrigerator Screw |
| 48 | WCI G189341 |
| 49 | SCREW (3) (NON-ILLUSTRATED) |
| 50 | WCI G163669 |
| 51 | WCI G166912 |
| 52 | WCI G174733 |
| 53 | WCI G174734 |
| 54 | WCI G174747--01 |
| 55A | 5304500407 Frigidaire Refrigerator Shelf Mounting Grommet |
| 55 | 5304509705 Frigidaire Refrigerator Grommet |
| 56 | CABINET BASE |
| 57 | WCI G179684-01 |