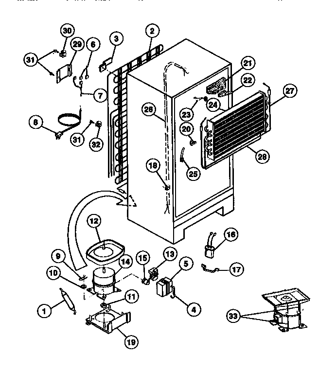
TSK206EN2W 05 – SYSTEM AND AUTOMATIC DEFROST PARTS