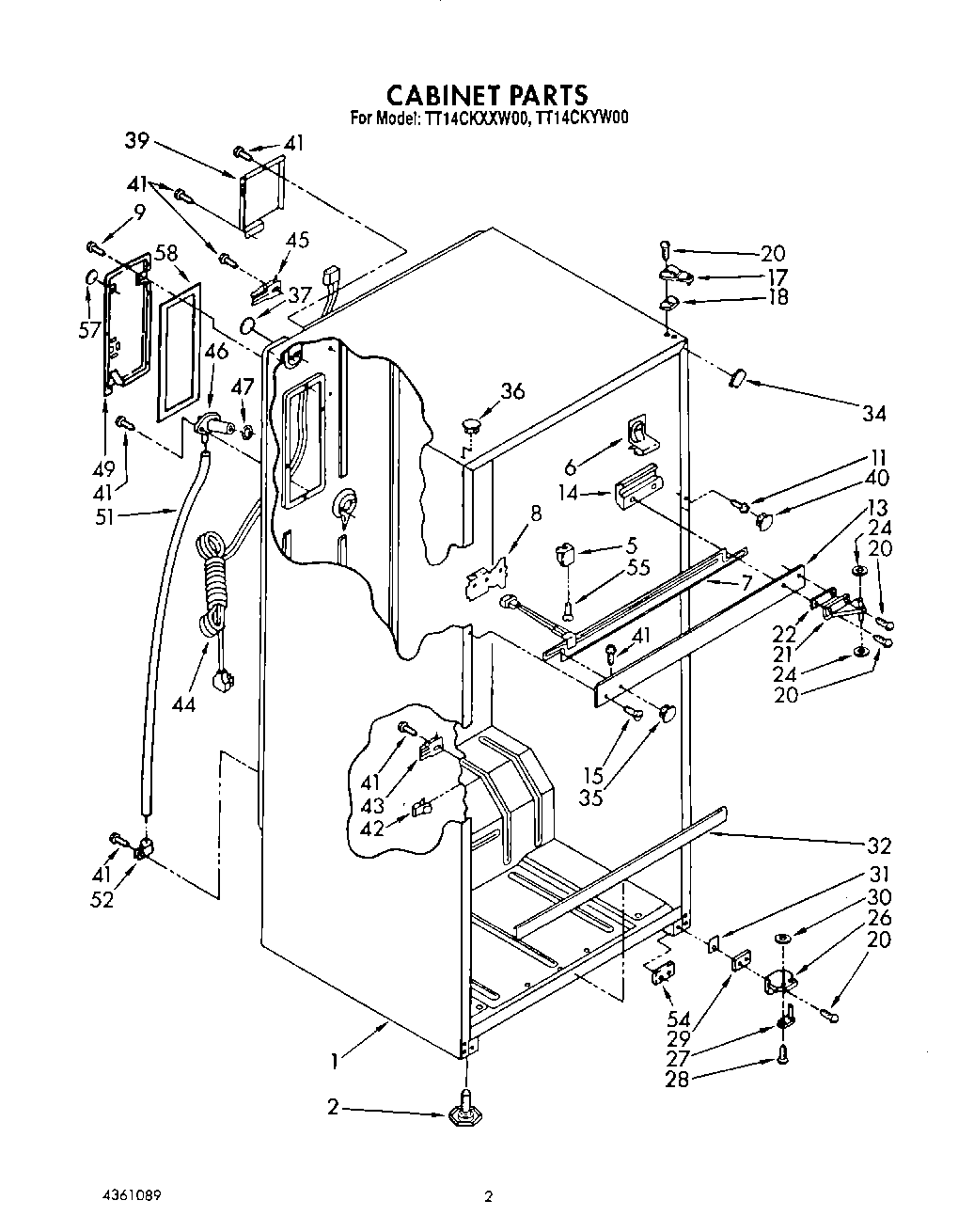
| 1 | Cabinet (Not A Serviceable Part) |
| 2 | Leveler (2) |
| 5 | Spacer (3) |
| 6 | Clip, Center Rail (4) |
| 7 | Heater, Mullion |
| 8 | Center Rail, Bracket (2) |
| 9 | WP489464 Whirlpool Refrigerator Screw |
| 11 | Screw, 8-32 x 1/2 (2) |
| 13 | Center Rail (Almond) |
| 13 | Center Rail (White) |
| 14 | Center, Rail Shim (2) |
| 15 | Screw |
| 17 | Hinge, Top |
| 18 | Shim, Hinge |
| 20 | Screw |
| 21 | Hinge, Center |
| 22 | Shim, Hinge Center |
| 24 | WP488296 Whirlpool Washer Refrigerator |
| 26 | Hinge Butt, Bottom |
| 27 | Hinge Pin, Bottom |
| 28 | Screw 10-32 x 5/16 |
| 29 | Shim, Bottom |
| 30 | WP487576 Whirlpool Washer |
| 31 | Cover, Glider Rail (Almond) |
| 31 | Cover, Glider Rail (White) |
| 32 | Cover, Deck Rail (Almond) |
| 32 | Cover, Deck Rail (White) |
| 34 | WPL 1110685 |
| 34 | WPL 1110684 |
| 35 | Hole Plug (White) |
| 35 | Hole Plug (Almond) |
| 36 | Hole Plug (6) (Almond) |
| 36 | WP2151652 Whirlpool Refrigerator Button Plug |
| 37 | Hole Seal |
| 39 | WPL 942845 |
| 40 | Hole Plug (2) (Almond) |
| 40 | Hole Plug (2) (White) |
| 41 | WP489478 Whirlpool Refrigerator Screw |
| 42 | W10812038 Whirlpool Refrigerator Clip |
| 43 | 549193 Whirlpool Refrigerator Power Clamp |
| 44 | Cord, Service |
| 45 | Clamp |
| 46 | WPL 942813 |
| 47 | WPL 1106507 |
| 49 | WPL 1106511 |
| 51 | 8316810 Whirlpool Refrigerator Drain Tube |
| 52 | WPL 519405 |
| 54 | Tap Plate (2) |
| 55 | WP488163 Whirlpool Refrigerator Screw |
| 57 | WPL 1120224 |
| 58 | WPL 1106510 |