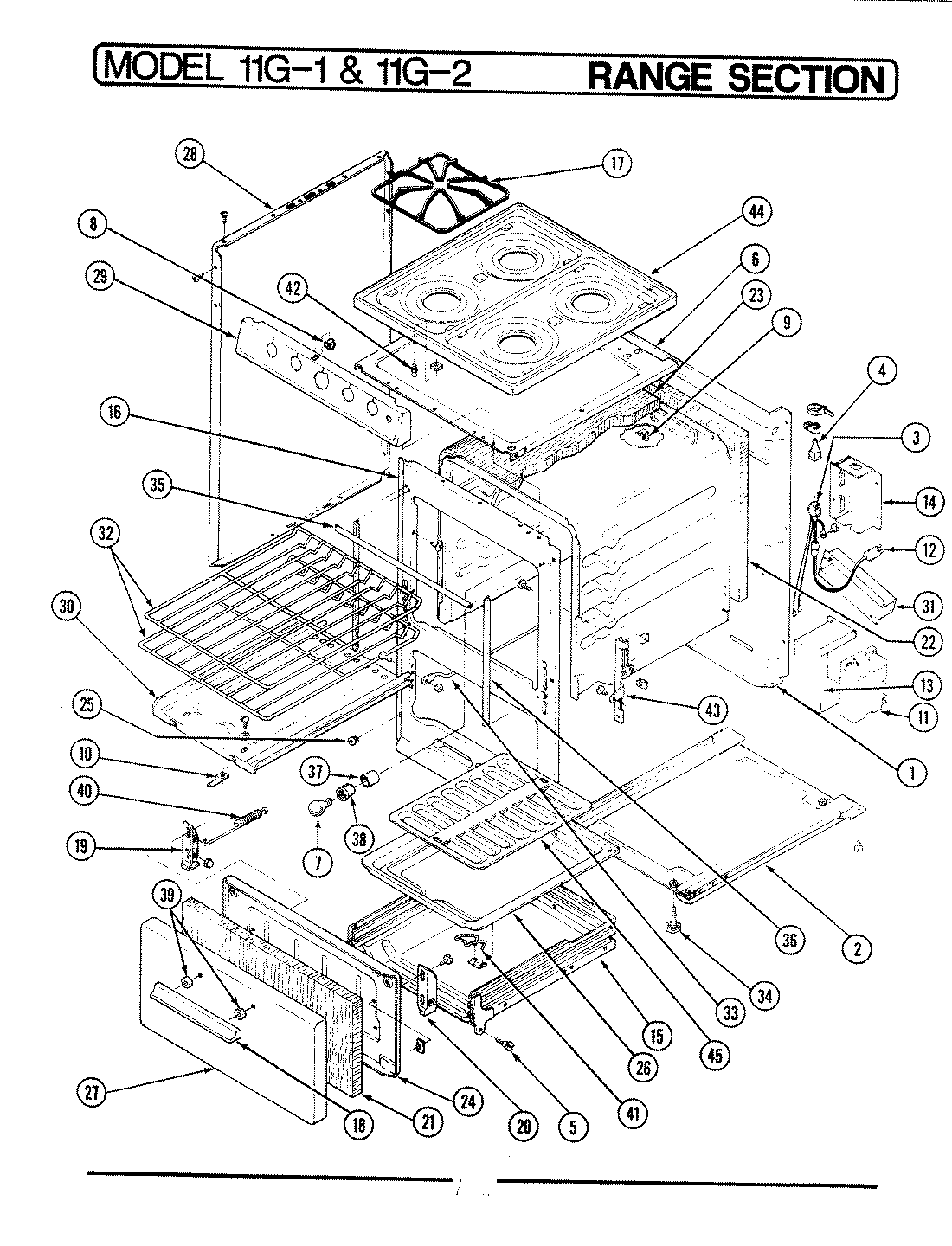
U11GY-2KW 04 – RANGEadmin2025-04-26T08:54:30+00:00U11GY-2KW 04 – RANGE ProductsPositionProduct1MAY 1G100087452MAY 1G102025653MAY 0B028005504MAY 0B028006505MAY 0B904907226MAY 1G101038537MAY Y0B003003998MAY Y0C040001269MAY Y0C0010019910MAY 7G1200029911MAY Y0C0500079912MAY Y0C0300119913MAY 1G5320039914MAY 1G1310224515MAY 1G0630055316MAY 1G0910955317MAY Y0G0030091218MAY Y0H0302911119MAY 5G1110014520MAY 5G1110024521MAY 0I0201012422MAY 0I1003013223MAY 0I0901013224MAY 1G0300335325MAY Y0N1013155026MAY 5G0650025327MAY 1G020019MY28MAY 1G060027MY29MAY 2616W035-8630MAY 1G0750415331MAY 1G1770094132MAY Y0R0100161133MAY 1G1230049933MAY 1G1230059934MAY Y0S0150012635MAY Y0S0064349936MAY Y0S0064359937MAY 4G1850014138MAY Y0S0400049939MAY 0S0350099940MAY 0S0010379940MAY Y0S0100019941MAY 0S0200029942MAY Y0S0290012643MAY 7E1270602243MAY 7E1270592243MAY 0S0300239944MAY 1G080084MY45MAY 5G0670015346MAY 8110P058-60