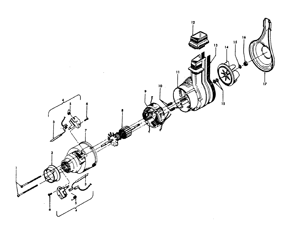
U3309— 05 – MOTOR ASSEMBLY