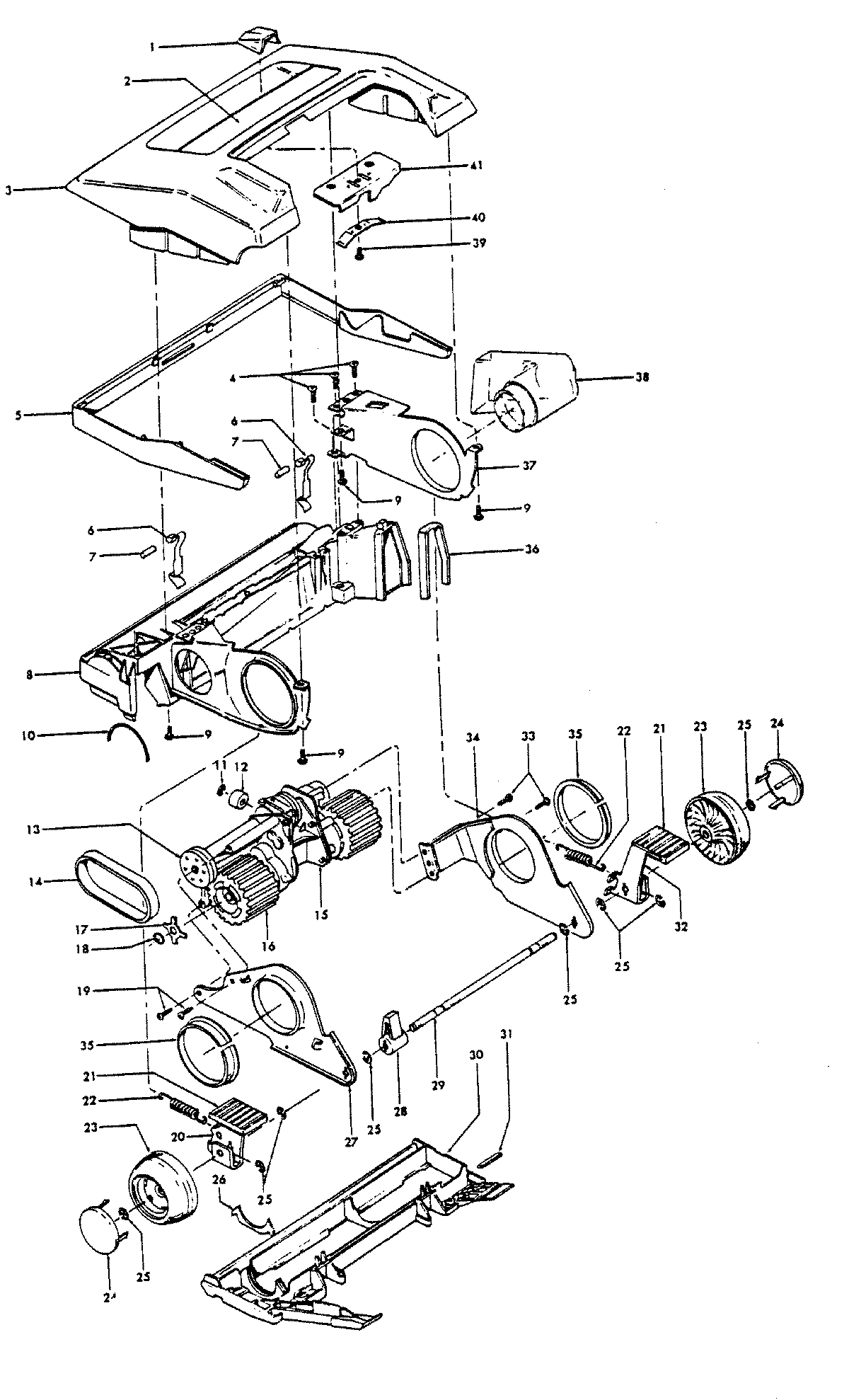
U3313— 05 – MAINBODY, HOODadmin2025-04-26T08:53:00+00:00U3313— 05 – MAINBODY, HOOD ProductsPositionProduct1MAY 394210381MAY 384210381MAY 384210331MAY 384210321MAY 384210372MAY 521150343MAY 372531703MAY 372531693MAY 372531663MAY 372530824MAY 214470035MAY 362350826MAY 347880017MAY 315220168MAY 422460649MAY 2144701410MAY 012173--12MAY 3114201413MAY 3853700114MAY 160147--15MAY 4312400916MAY 163340AG17MAY 160040--18MAY 160014--19MAY 017001--20MAY 3845207122MAY 3833501423MAY 3852201`724MAY 3791200725MAY 013730--26MAY 3878100627MAY 3547601127MAY 3547600728NOT REQUIRED PART OR SEE NOTE FUSE (NOT REQUIRED)29MAY 4198500430MAY 3724508731MAY 3411200332MAY 3845205933MAY 016295--34MAY 4196700234MAY 4143101435MAY 3215500436MAY 3412300337MAY 3547600538MAY 3865602339MAY 2144720340MAY 3475100141MAY 3856301842MAY 38522008