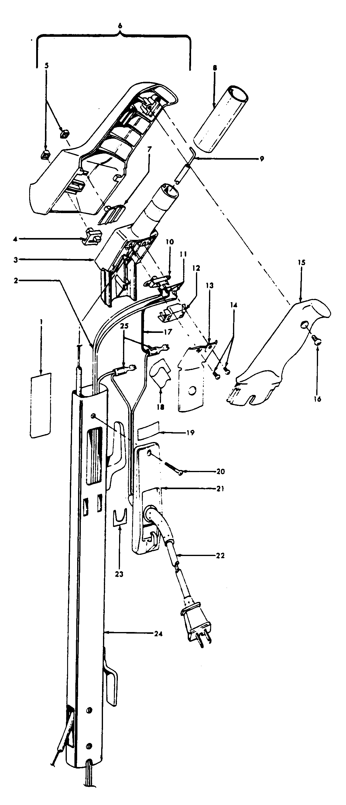
U3315— 03 – HANDLE