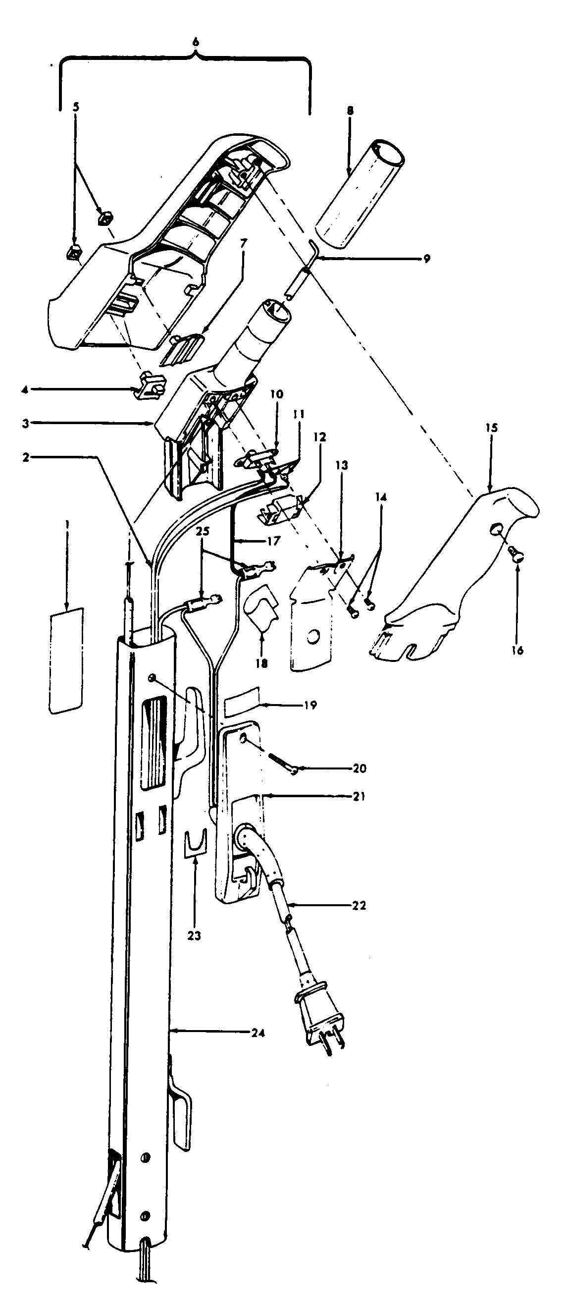
U3315070 03 – HANDLE