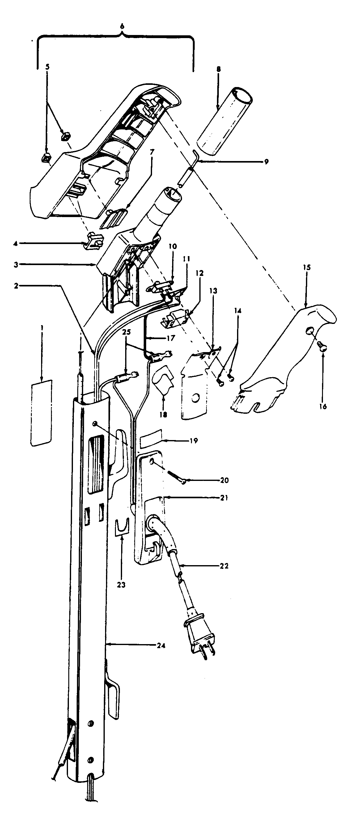
U3329— 03 – HANDLE